EasyManua.ls Logo

FAAFTECH FT-VF-GMLAN - Page 5

Default Icon
12 pages
Print Icon
To Next Page IconTo Next Page
To Next Page IconTo Next Page
To Previous Page IconTo Previous Page
To Previous Page IconTo Previous Page
Loading...
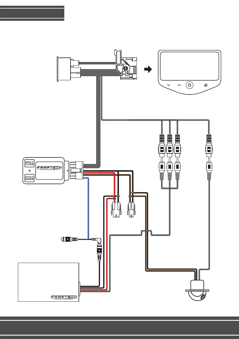
See below for an example installation using a TV and a rear-view camera.
ON
1 2 3 4
ON
1 2 3 4
FT-VIDEO-FREE
GMLAN
MYLINK
VOL
Digital TV Receptor
(Sold separately)
Rear camera
(sold separately)
4
CONNECTIONS

Related product manuals