EasyManua.ls Logo

FAAFTECH FT-VF-NS4 - Wiring and Connections Guide

Default Icon
8 pages
Print Icon
To Next Page IconTo Next Page
To Next Page IconTo Next Page
To Previous Page IconTo Previous Page
To Previous Page IconTo Previous Page
Loading...
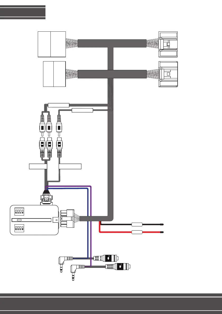
Connect to the TV and
DVD IR inputs if they
are compatible
3
Connections
Connect to the whip Connect to the multimedia
Auxiliary outputs
ACC – Post-key output to
power the accessories, 2A
maximum.
GND – Ground output to
connect the accessories.
ON
1 2 3 4
ON
1 2 3 4
ACC
GND
Entrada CâmeraSaida Audio
Câmera OEM
Entrada AUX

Related product manuals