EasyManua.ls Logo

Fantech GD55S - Electrical Connections Diagram

Fantech GD55S
9 pages
Print Icon
To Next Page IconTo Next Page
To Next Page IconTo Next Page
To Previous Page IconTo Previous Page
To Previous Page IconTo Previous Page
Loading...
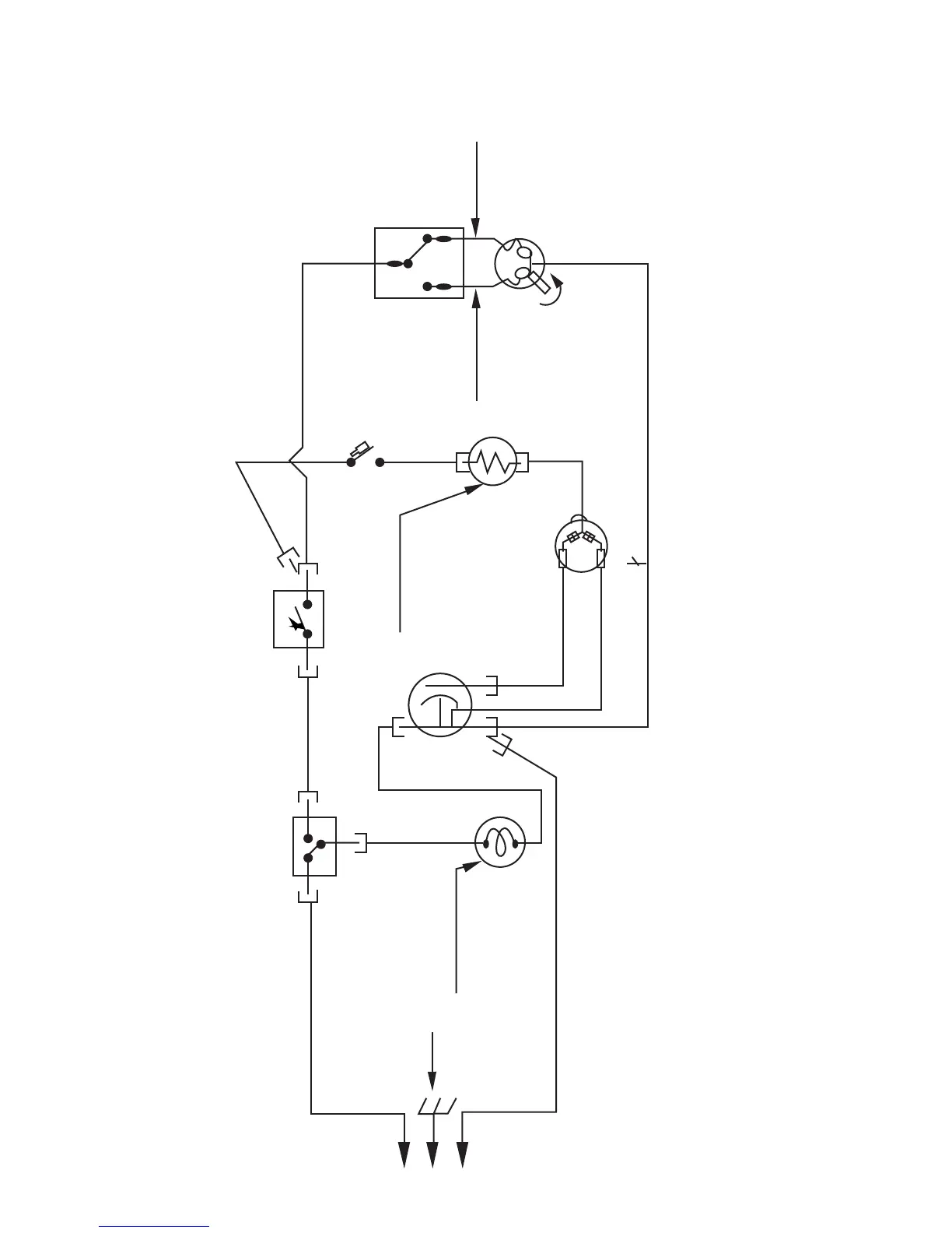
4
ELECTRICAL CONNECTIONS
INTERRUPTEUR
FLOAT SWITCH
HUMIDISTAT
BLANC
COMPRESSOR
FAN MOTOR
DE ICER
CAPACITOR
OVERLOAD
“FULL” LIGHT
LINE
COM
BLACK
NEGRO
WHITE
BLUE
BLANCO
NO
NC
RED
WHITE
GREY
HIGH - BLACK
NEGRO
LOW - RED
BLANCO
WHITE
BLANCO
WHITE/BLUE
BLACK/BROWN
GREEN
BLUE
BLACK
NEGRO
L
1
3
S
2 1
C
N
HIGROMETRO

Related product manuals