EasyManua.ls Logo

Fantech GDC124CS - Wiring Diagram; GDC80 CS Wiring; GDC124 CSS, GDC124 CS Wiring

Fantech GDC124CS
18 pages
Print Icon
To Next Page IconTo Next Page
To Next Page IconTo Next Page
To Previous Page IconTo Previous Page
To Previous Page IconTo Previous Page
Loading...
16
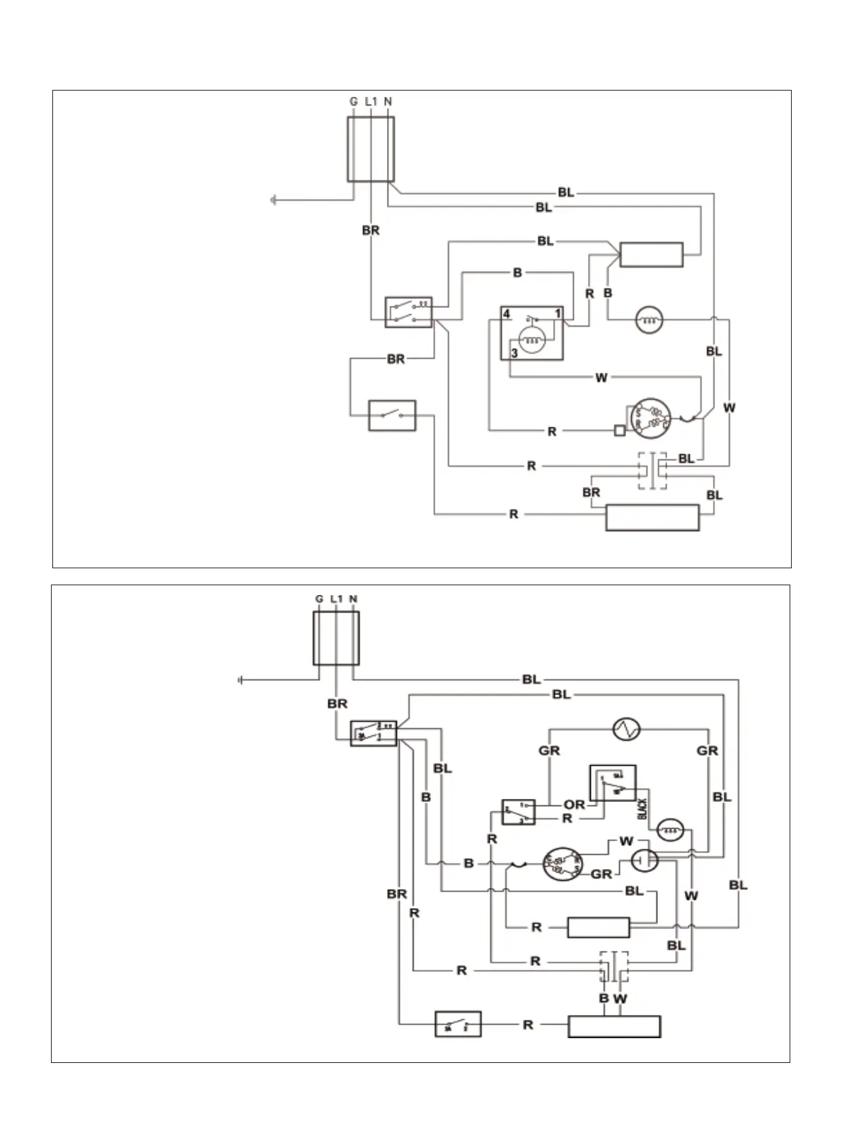
Wiring Diagram
Neutral----------- N
Black ------------ B
Brown ----------- BR
Blue -------------- BL
Red -------------- R
White------------- W
Diagramme Électrique
Neutre------------ N
Noir -------------- B
Brun-------------- BR
Bleu ------------- BL
Rouge ----------- R
Blanc ------------ W
Diagrama de cableado
Neutral ---------- N
Negro ------------ B
Marrón -----------BR
Azul -------------- BL
Rojo -------------- R
Blanco ----------- W
Wiring Diagram
Neutral----------- N
Black ------------ B
Brown ----------- BR
Blue -------------- BL
Red -------------- R
Grey ------------- GR
White------------- W
Orange----------- OR
Diagramme Électrique
Neutre------------ N
Noir -------------- B
Brun-------------- BR
Bleu ------------- BL
Rouge ----------- R
Gris -------------- GR
Blanc ------------ W
Orange----------- OR
Diagrama de cableado
Neutral ---------- N
Negro ------------ B
Marrón -----------BR
Azul -------------- BL
Rojo -------------- R
Gris ---------------GR
Blanco ----------- W
Naranja-----------OR
On / Off
Marche / Arrêt
Encendido/
Apagado
On / Off
Marche / Arrêt
Encendido/
Apagado
Compressor
Compresseur
Compresor
Compressor
Compresseur
Compresor
Condensate Pump
Pompe à condensats
Bomba de condensado
Condensate Pump
Pompe à condensats
Bomba de condensado
Fan Motor
Moteur du ventilateur
Motor del ventilador
Fan Motor
Moteur du ventilateur
Motor del ventilador
Defrost Timer
Minuterie de dégivrage
Rejoj de desescarche
Hour Counter
Compteur
Contador
Hour Counter
Compteur
Contador
Overload
Surcharge
Sobrecarga
Overload
Surcharge
Sobrecarga
Hot Gas Thermostat
Thermostat du gaz chaud
Termóstato de aire caliente
Hot Gas Solenoid
Solénoïde du gaz chaud
Solenoide de aire caliente
Pump Purge Switch
Interrupteur-purge de la pompe
Interruptor de bomba de depuración
Hot Gas Switch
Interrupteur du gaz chaud
Interruptor de aire caliente
Pump Purge Switch
Interrupteur-purge de la pompe
Interruptor de bomba de depuración
GDC124CSS, GDC124CS
GDC80CS

Other manuals for Fantech GDC124CS

Related product manuals