EasyManua.ls Logo

Far Tools REX 120C - Page 15

Far Tools REX 120C
19 pages
Print Icon
To Next Page IconTo Next Page
To Next Page IconTo Next Page
To Previous Page IconTo Previous Page
To Previous Page IconTo Previous Page
Loading...
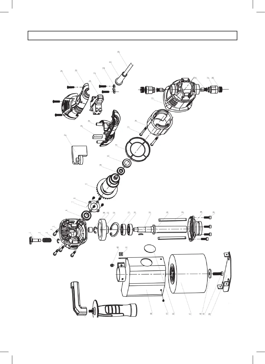
REX 120C
115027-3-Manual-D.indd 15 18/08/2017 15:45

Related product manuals