EasyManua.ls Logo

FE PETRO STP - Three Phase Wiring Diagram

FE PETRO STP
16 pages
Print Icon
To Next Page IconTo Next Page
To Next Page IconTo Next Page
To Previous Page IconTo Previous Page
To Previous Page IconTo Previous Page
Loading...
12
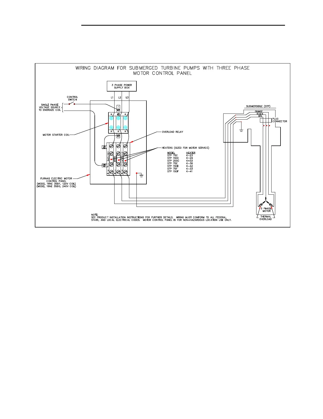
Wiring Diagram 2
Note: For further wiring diagrams, see installation and owners manuals that came with pump controller. Wiring must 
conform to all federal, state, and local electrical codes. Contact FE Petro Technical Support for further assistance.

Related product manuals