EasyManua.ls Logo

felisa FE-131 - Notas Importantes; Diagrama Electrico

Default Icon
Print Icon
To Next Page IconTo Next Page
To Next Page IconTo Next Page
To Previous Page IconTo Previous Page
To Previous Page IconTo Previous Page
Loading...
7 / 10
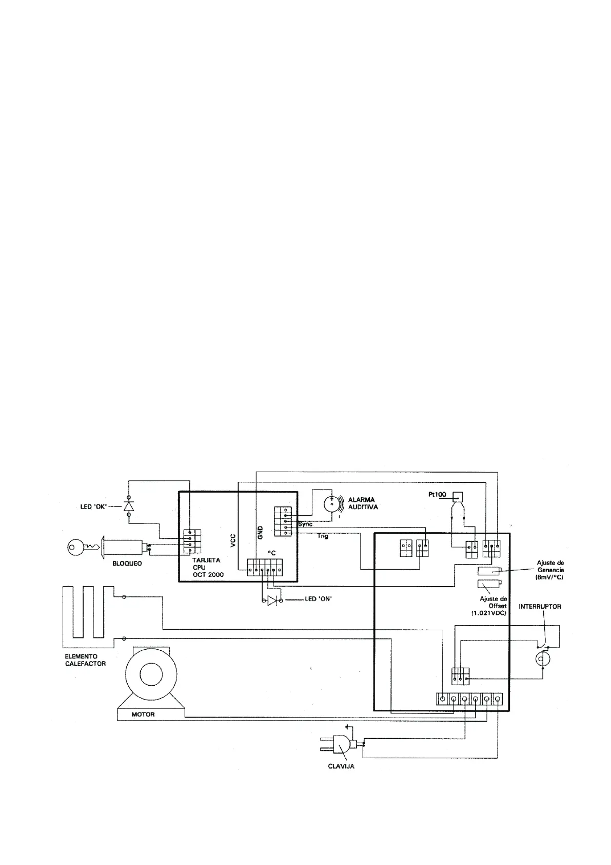
DIAGRAMA ELECTRICO
REPARACIONES
Como cualquier producto manufacturado algunas partes de la Incubadora pueden dañarse después
de usarse por un tiempo. Para reemplazarlas use siempre partes genuinas de fábrica. Una lista de
partes es proporcionada en este instructivo. Todas las refacciones pueden ser ordenadas con
nuestros Distribuidores o directamente en nuestra Planta.
NOTAS IMPORTANTES
- Antes de realizar cualquier labor de mantenimiento desconecte el cable de alimentación.
- Para preservar en buen estado los elementos calefactores no derrame ninguna solución dentro
de la cámara o introduzca objetos metálicos que pudieran hacer corto circuito.
- No cambie de posición el sensor de temperatura.
- Conecte siempre el equipo a un contacto tripolar y debidamente aterrizado.
- Variaciones de voltaje pueden dañar los componentes electrónicos.
- No saturar la cámara con material: nunca la cargue a mas de 3/4 partes de su capacidad.
- Si el cable de alimentación es dañado debe ser reemplazado de inmediato por personal