EasyManua.ls Logo

Fermax SKYLINE Series - Video System Wiring; Distributor Model Connections

Fermax SKYLINE Series
26 pages
To Next Page IconTo Next Page
To Next Page IconTo Next Page
To Previous Page IconTo Previous Page
To Previous Page IconTo Previous Page
Loading...
Pag 16
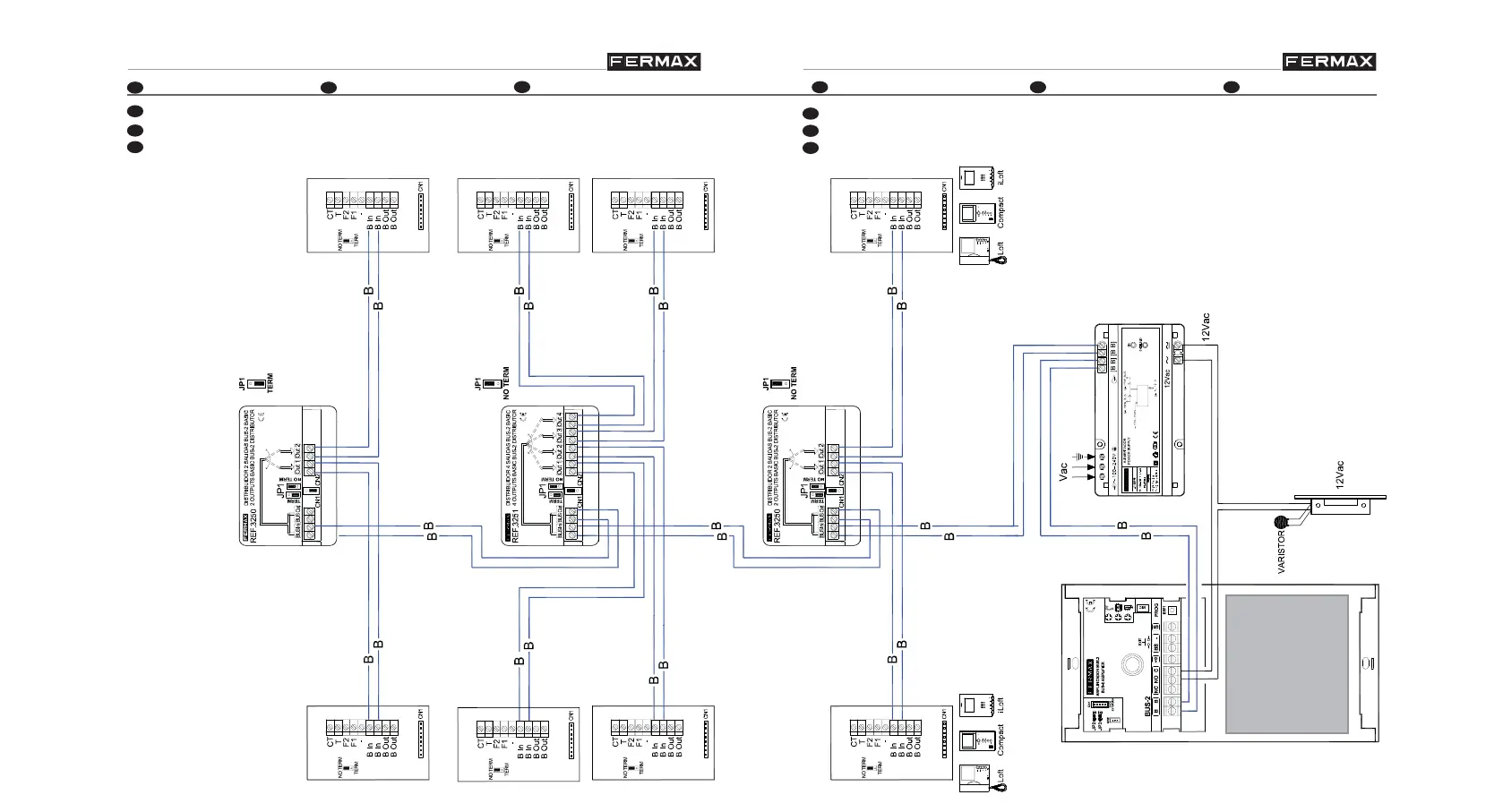
BUS2 Panels
BUS2 Panels
E
CABLEADO
EN
WIRING
F
CÂBLAGE
E
Instalación de Video con distribuidores ref. 3250 - 3251
EN
Video system with video distributores ref. 3250 - 3251
F
Installation video avec distributeurs réf. 3250 - 3251
Pag 17
BUS2 Panels
BUS2 Panels
D
VERKABELUNG
P
CABLAGEM
IT
CABLAGGIO
D
Videoanlage mit Verteilern Ref. 3250 - 3251
P
Instalaçao de vídeo com distribuidores ref. 3250 - 3251
IT
Installazione video con distribuidori rif. 3250 - 3251

Related product manuals