EasyManua.ls Logo

FERMOD KIT 5010 - Wiring; Motor and Encoder Connection

Default Icon
24 pages
Print Icon
To Next Page IconTo Next Page
To Next Page IconTo Next Page
To Previous Page IconTo Previous Page
To Previous Page IconTo Previous Page
Loading...
Kit5010ExpSécu_Elec-A
4
!
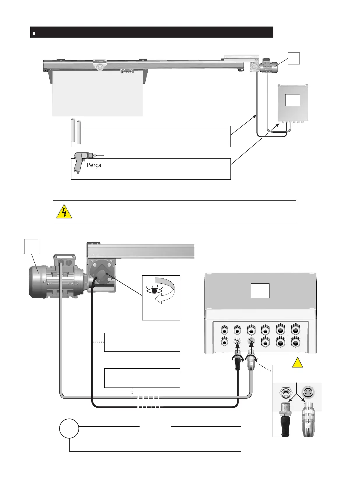
Raccordement moteur et codeur / Motor and encoder connection
Moteur (cable gris/2m)
Motor (grey cable/2m)
Codeur (cable noir/2m)
Encoder (black cable/2m)
Rallonge de câble 5m (2 rallonges bout-à-bout maxi)
Extension cable 5m (maxi 2 extensions endwise)
Perçage Ø 20mm mini pour passer les connecteurs
Drilling Ø 20mm mini to pass the connectors
Tube Ø 20mm minimum pour passer les câbles
Use tube Ø 20mm mini to pass the cables
OPTION
i
M10
M10
M6
M6
Vue arrière
Back view
Détrompeurs
Oriented slots
Couper impérativement l’alimentation avant d’intervenir sur le moteur
Absolutely cut the power supply before disconnecting the motor

Other manuals for FERMOD KIT 5010