EasyManua.ls Logo

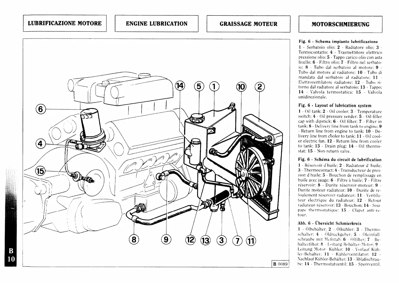
Ferrari F355 - Engine Lubrication; Layout of Lubrication System

Ferrari F355
218 pages
Print Icon
To Next Page IconTo Next Page
To Next Page IconTo Next Page
To Previous Page IconTo Previous Page
To Previous Page IconTo Previous Page
Loading...

Table of Contents

Related product manuals