EasyManua.ls Logo

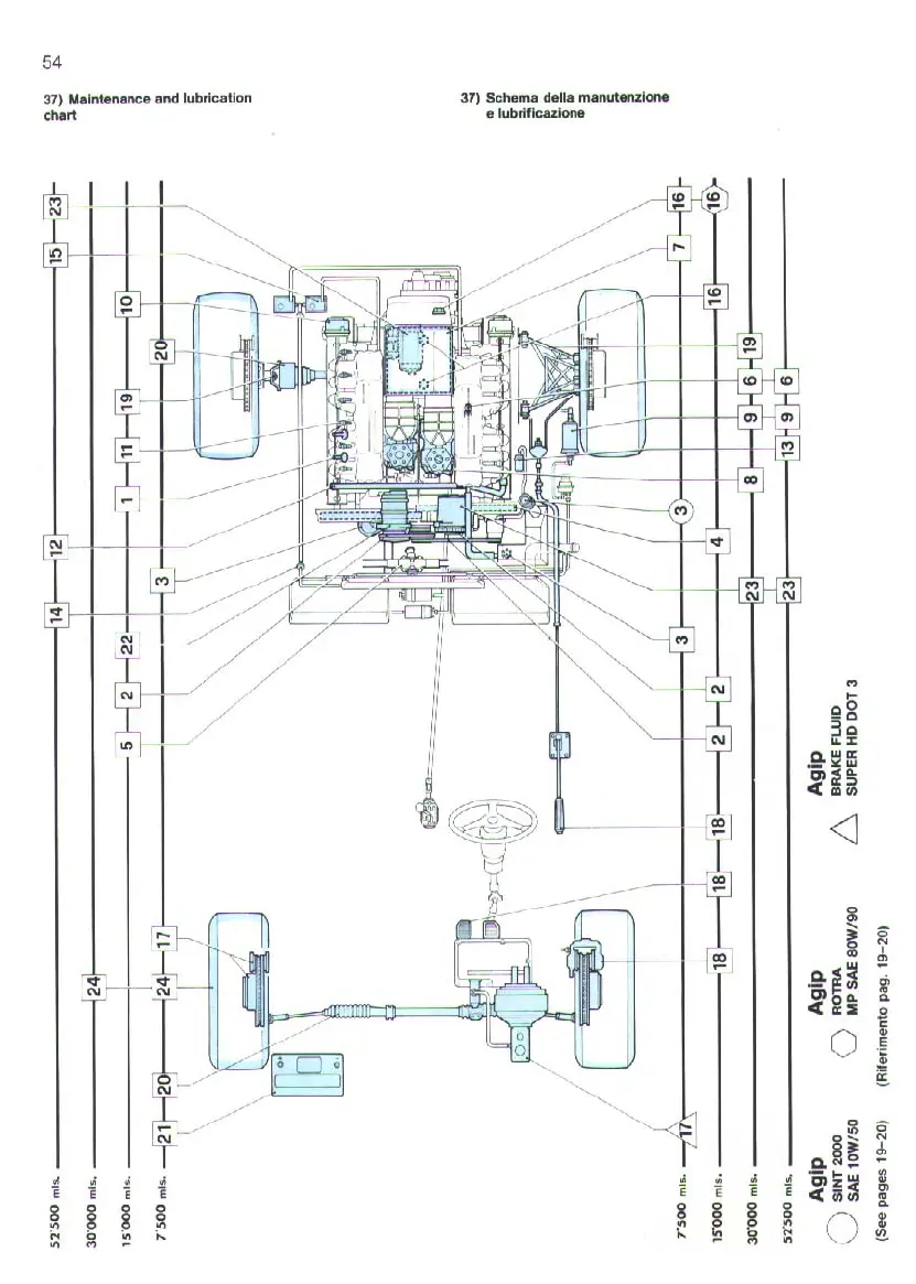
Ferrari Testarossa - Maintenance and Lubrication Chart

Ferrari Testarossa
100 pages
Print Icon
To Next Page IconTo Next Page
To Next Page IconTo Next Page
To Previous Page IconTo Previous Page
To Previous Page IconTo Previous Page
Loading...

Table of Contents

Other manuals for Ferrari Testarossa

Related product manuals