EasyManua.ls Logo

Festool EAA Series - Page 156

Festool EAA Series
Print Icon
To Next Page IconTo Next Page
To Next Page IconTo Next Page
To Previous Page IconTo Previous Page
To Previous Page IconTo Previous Page
Loading...
476106_001/ 09.08/ NORG
Änderungen vorbehalten / The right of modification is reserved
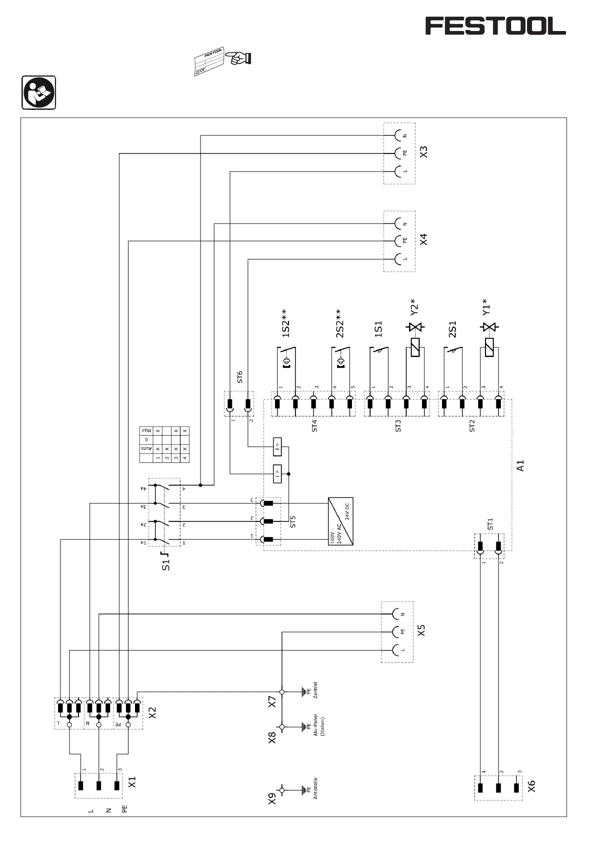
Stromlaufplan/ Flow diagramm
Gültig für / Valid for:
EAA EW CT/SRM/M
EAA EW TURBO/M
EAA EW/DW CT/SRM/M
EAA EW/DW TURBO/M
EAA EW/DW TURBO/A
xxx xxx
Die Teileliste finden Sie in der Bedienungsanleitung.
You find the part list in the instruction manual.

Table of Contents