EasyManua.ls Logo

Fiat Linea - Page 131

Fiat Linea
234 pages
Print Icon
To Next Page IconTo Next Page
To Next Page IconTo Next Page
To Previous Page IconTo Previous Page
To Previous Page IconTo Previous Page
Loading...
130
WARNING
LIGHTS AND
MESSAGES
IN AN
EMERGENCY
CAR
MAINTENANCE
TECHNICAL
SPECIFICATIONS
INDEX
DASHBOARD
AND CONTROLS
SAFETY
DEVICES
CORRECT USE
OF THE CAR
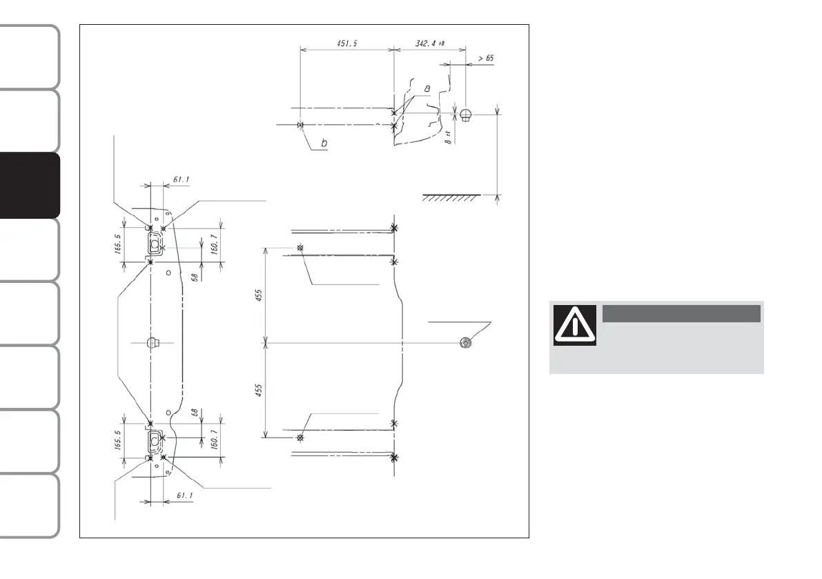
Assembly diagram fig. 3
The tow hook structure must be fastened
in the points shown by the symbol
Ø
us-
ing a total of 6 M8 screws and 2 M10
screws.
The internal back plates are to be at least
6 mm thick.
The hook should be fastened to the body
avoiding any type of drilling and trimming
of the rear bumpers that remains visible
when the hook is removed.
IMPORTANT It is compulsory to fasten a
label (plainly visible) of suitable size and
material with the following wording:
MAX LOAD ON BALL 70 kg
After fitting, screw holes
shall be sealed to prevent ex-
haust gas inlet.
WARNING
fig. 3
F0R0190m
Existing hole
Existing screw
To load
Existing screw
Existing screw
Existing screw
Existing screw
Existing hole
Type-approved ball
121-132 LINEA 1ed GB 3-09-2008 17:30 Pagina 130

Table of Contents

Related product manuals