EasyManua.ls Logo

Fiat Tempra 1990 - Page 158

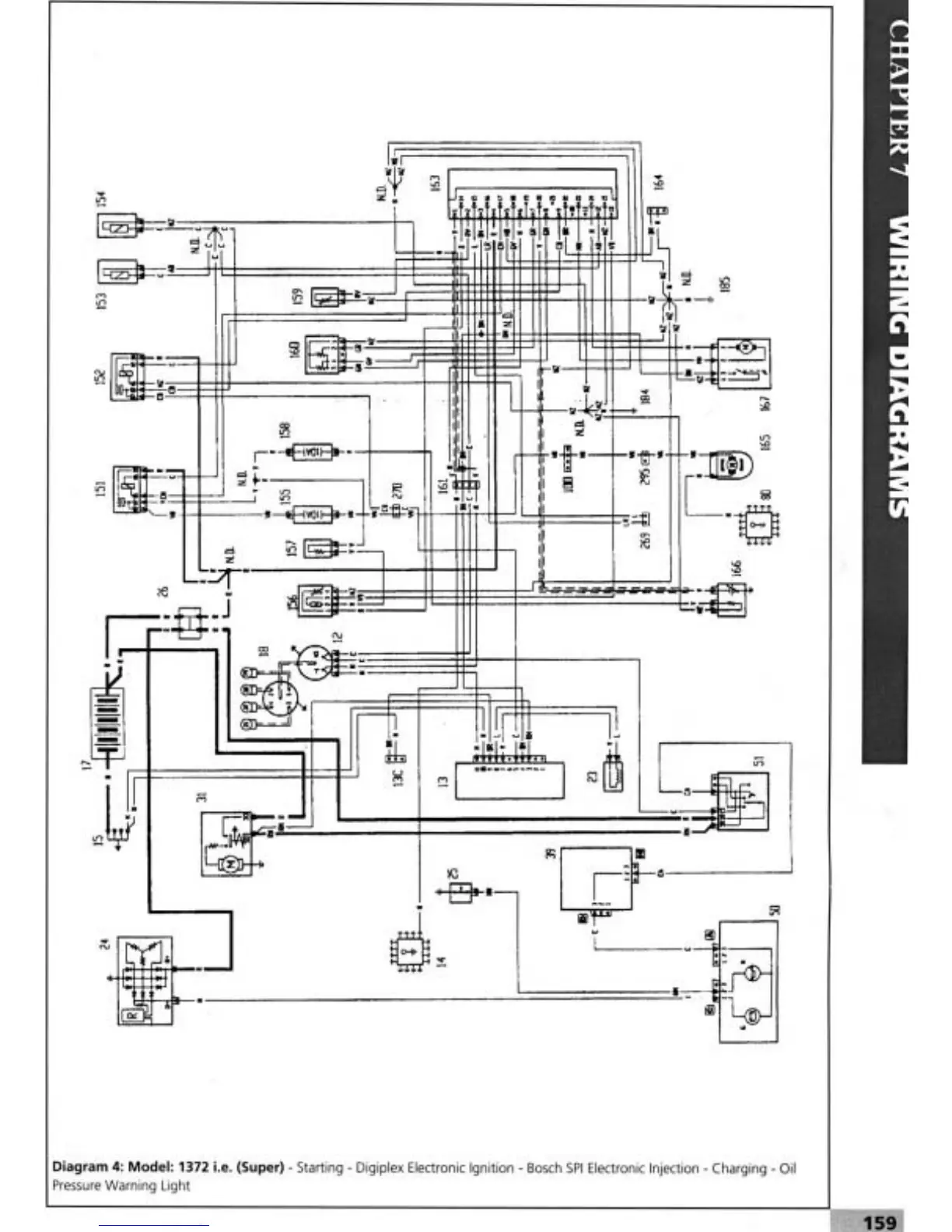
Fiat Tempra 1990
174 pages
Print Icon
To Next Page IconTo Next Page
To Next Page IconTo Next Page
To Previous Page IconTo Previous Page
To Previous Page IconTo Previous Page
Loading...

Table of Contents