EasyManua.ls Logo

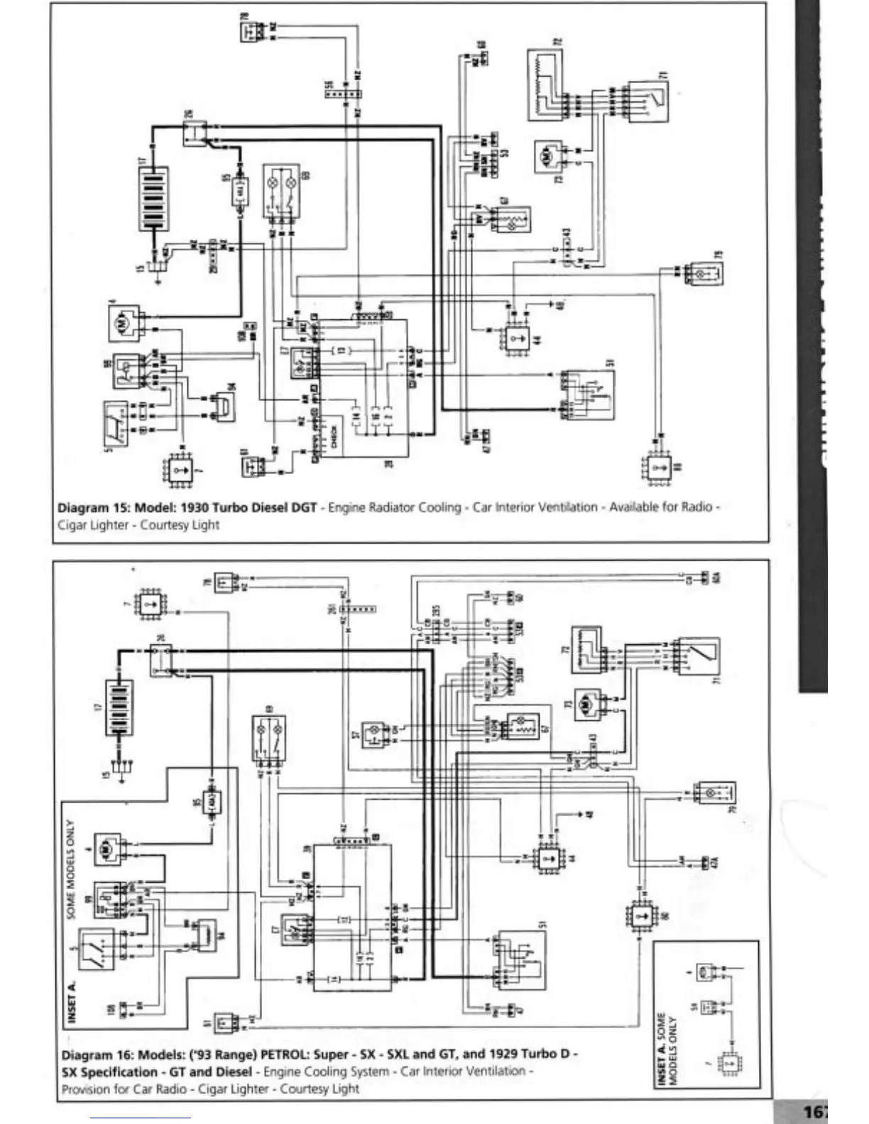
Fiat Tipo 1989 - Wiring Diagram 16: Petrol and Diesel Systems

Fiat Tipo 1989
174 pages
Print Icon
To Next Page IconTo Next Page
To Next Page IconTo Next Page
To Previous Page IconTo Previous Page
To Previous Page IconTo Previous Page
Loading...

Table of Contents