EasyManua.ls Logo

Fiat Tipo 1995 - Engine Management and Charging System Wiring

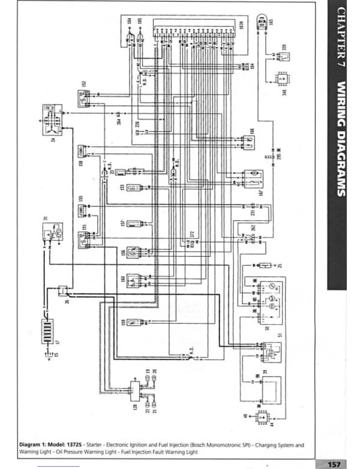
Fiat Tipo 1995
174 pages
Print Icon
To Next Page IconTo Next Page
To Next Page IconTo Next Page
To Previous Page IconTo Previous Page
To Previous Page IconTo Previous Page
Loading...

Table of Contents