EasyManua.ls Logo

Fiat Tipo 1995 - Electrical Component Wiring Diagrams

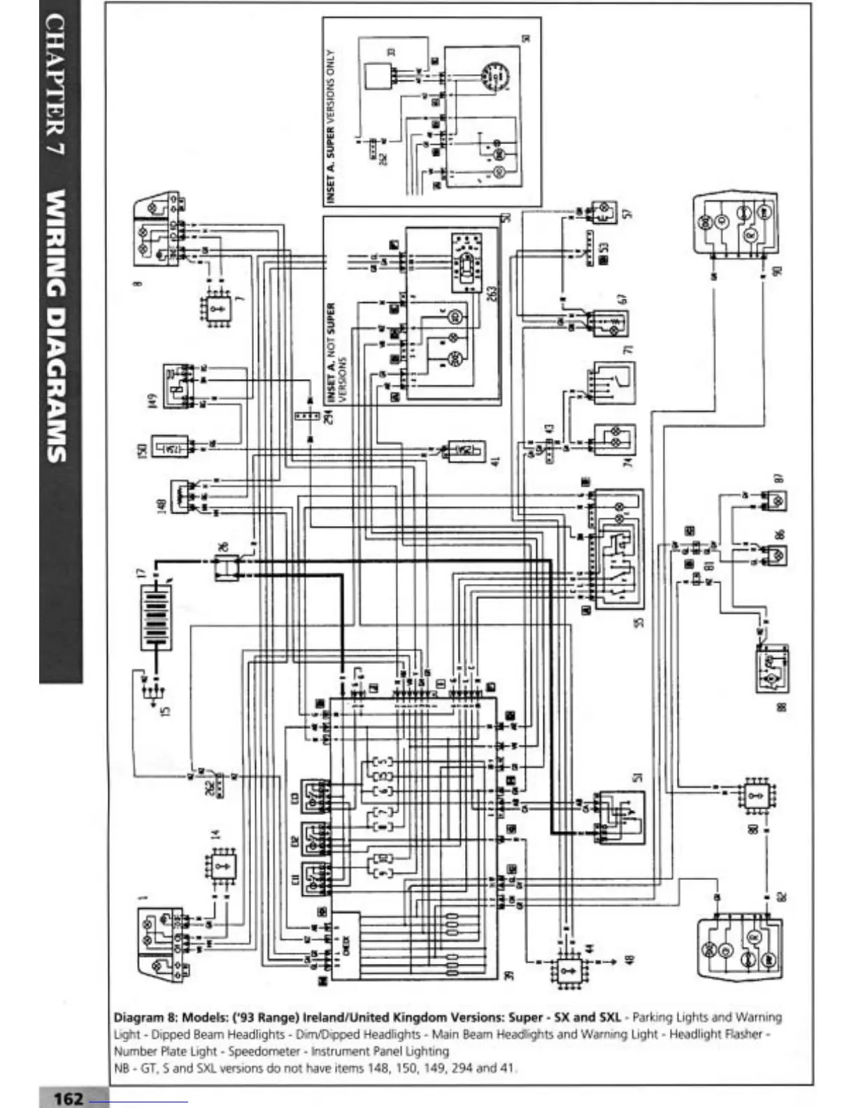
Fiat Tipo 1995
174 pages
Print Icon
To Next Page IconTo Next Page
To Next Page IconTo Next Page
To Previous Page IconTo Previous Page
To Previous Page IconTo Previous Page
Loading...

Table of Contents

Related product manuals