EasyManua.ls Logo

Field Controls CK-63 - Wiring with Electronic Primary

Default Icon
16 pages
Print Icon
To Next Page IconTo Next Page
To Next Page IconTo Next Page
To Previous Page IconTo Previous Page
To Previous Page IconTo Previous Page
Loading...
page 5 of 16
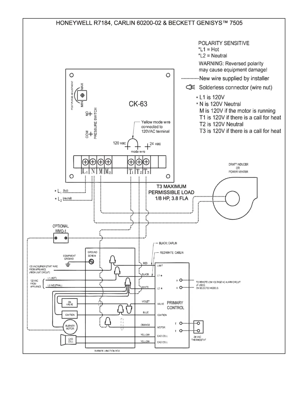
Diagram B - Oil Fired System: Wiring With Electronic Primary
P/N 46400900 Rev P 08/19