EasyManua.ls Logo

Fimar MSD/300P - Page 158

Fimar MSD/300P
Print Icon
To Next Page IconTo Next Page
To Next Page IconTo Next Page
To Previous Page IconTo Previous Page
To Previous Page IconTo Previous Page
Loading...
IDM-34606201000.pdf
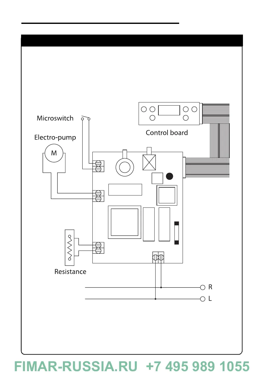
SCHEMA ELETTRICO
ELECTRIC DIAGRAM
MSD/300P - MSD/300
FIMAR-RUSSIA.RU +7 495 989 1055

Table of Contents

Other manuals for Fimar MSD/300P

Related product manuals