EasyManua.ls Logo

Fimar MSD/300P - Page 159

Fimar MSD/300P
Print Icon
To Next Page IconTo Next Page
To Next Page IconTo Next Page
To Previous Page IconTo Previous Page
To Previous Page IconTo Previous Page
Loading...
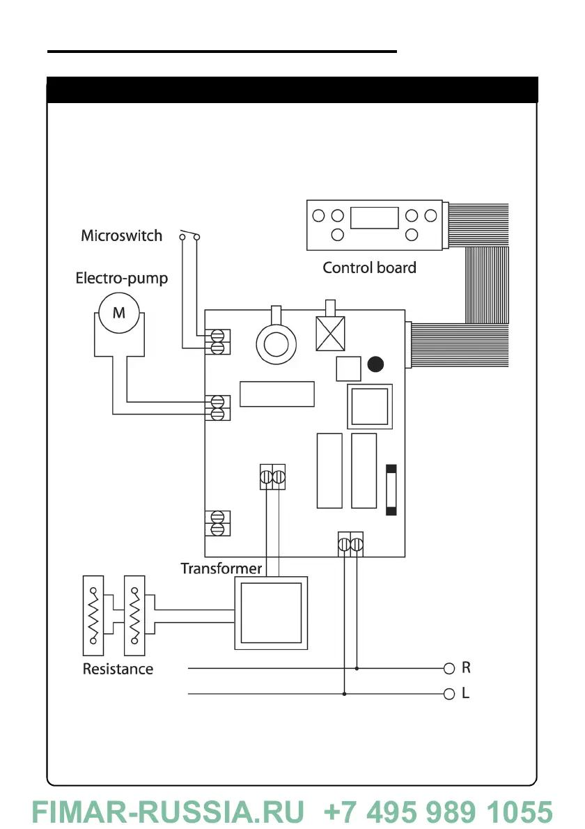
SCHEMA ELETTRICO
ELECTRIC DIAGRAM
MSD/400 - MSD/500
IDM-34606201101.pdf
00 df
FIMAR-RUSSIA.RU +7 495 989 1055

Table of Contents

Other manuals for Fimar MSD/300P

Related product manuals