EasyManua.ls Logo

Fimar PPN5 - Page 78

Fimar PPN5
Print Icon
To Next Page IconTo Next Page
To Next Page IconTo Next Page
To Previous Page IconTo Previous Page
To Previous Page IconTo Previous Page
Loading...
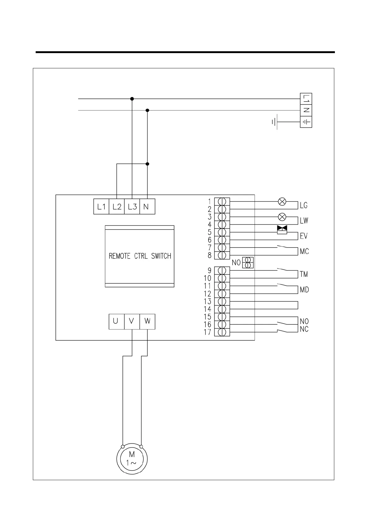
SCHEMA ELETTRICO • ELECTRICAL WIRING DIAGRAM •
SCHÉMA ÉLECTRIQUE • SCHALTPLAN • ESQUEMA ELECTRICO • ESQUEMA ELÉCTRICO •
ЭЛЕКТРИЧЕСКАЯ СХЕМА
PPN-LCN-PPF-LCF10-18 / PPN-PPF25 (1 Phase)

Table of Contents

Other manuals for Fimar PPN5