EasyManua.ls Logo

Finch HB 9000 - Wiring Diagram; HB9000 Electrical Connections

Finch HB 9000
26 pages
Print Icon
To Next Page IconTo Next Page
To Next Page IconTo Next Page
To Previous Page IconTo Previous Page
To Previous Page IconTo Previous Page
Loading...
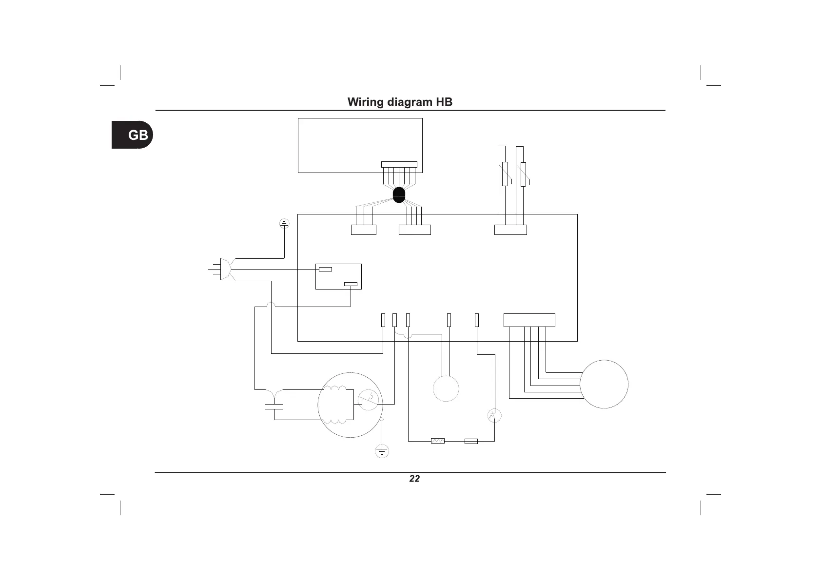
9000
HB9000
BLACK
BLUE
FAN
MOTOR
Yellow/ Green
4V
S
N2N1 N3
N CLMH
AC-L
COMP
BROWN
BLUE
CAPACITOR
BLUE
ORANGE
BROWN
S
R
C
COMPRESSOR
BROWN
CN3
CN2
WALL PAD
CN8
HEATER
HEAT
FUSE
HEAT
PROTECTION
RED
WHITE
RAT
ICT
LINE VOLTAGE
4V