EasyManua.ls Logo

Fini MEGA SD 75 - Page 33

Fini MEGA SD 75
41 pages
Print Icon
To Next Page IconTo Next Page
To Next Page IconTo Next Page
To Previous Page IconTo Previous Page
To Previous Page IconTo Previous Page
Loading...
MENU I
33
MEGA SD - Cod.197DD8100
GB
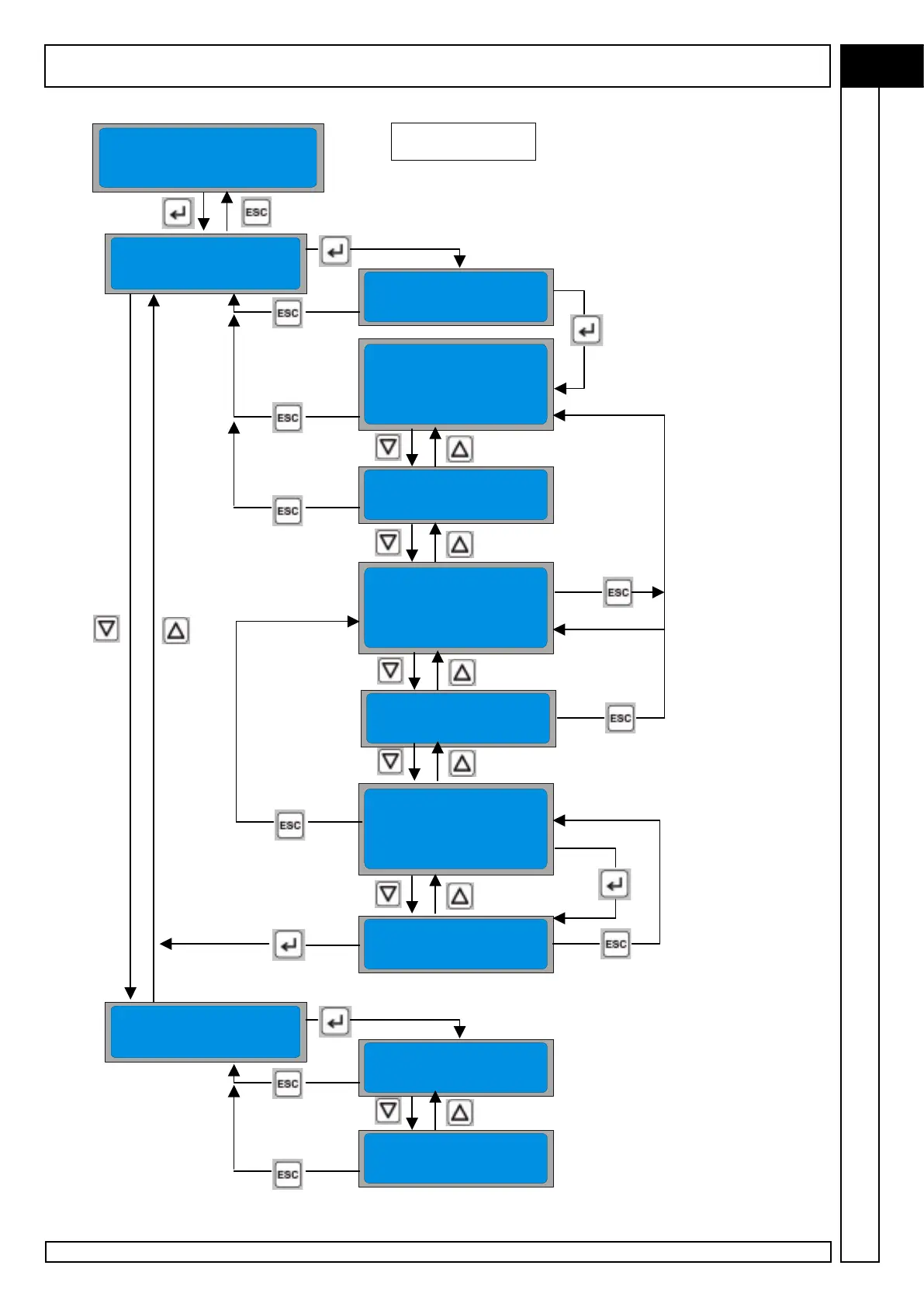
START-Up AND OpERATION
Press the K4 key to return to the DIAGNOSTICS
menu from submenus.
> DIAGNOSTICS
…..
> DIAGNOSTIC Test <
> ERROR MESSAGES
Run diagnostic
Test OK?
DIAGNOSTIC Test
TEST digit INPUTS
INPUT n 1: status
Emergency OK
other inputs…
DIAGNOSTIC test
TEST digit OUTPUTS
OUTPUT n 1 active
Line
..other OUTPUTS
DIAGNOSTIC Test
Rot. direction test .
Press for test
Press if OK
Press ESC if NEGAT.
Last
error message
.........other
error messages..

Related product manuals