EasyManua.ls Logo

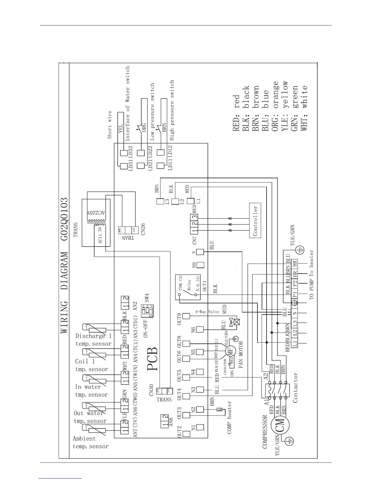
Firefly FFC-20 - FFC-20 Wiring Diagram

Default Icon
41 pages
Print Icon
To Next Page IconTo Next Page
To Next Page IconTo Next Page
To Previous Page IconTo Previous Page
To Previous Page IconTo Previous Page
Loading...
Hot Water Series
Model: FFC-20
30
AC 380V 50Hz
In case the power of the heater is higher than 500W, HR can not be connected to the
heater directly, an AC contactor or relay is required.

Related product manuals