EasyManua.ls Logo

FirePro FP-500S - Page 13

Default Icon
19 pages
Print Icon
To Next Page IconTo Next Page
To Next Page IconTo Next Page
To Previous Page IconTo Previous Page
To Previous Page IconTo Previous Page
Loading...
FirePro Systems
REV. BYDATEDESCRIPTION
1.0 Cable connection guide line 24/06/2016 Michaelides Loucas
FP-20SE/T/TH, FP-40S/T, FP-80S/T,FP-100S, FP-200S,FP-500S.
D
C
B
A
4 3 2 1
D
C
B
A
4 3 2 1
FirePro
FirePro
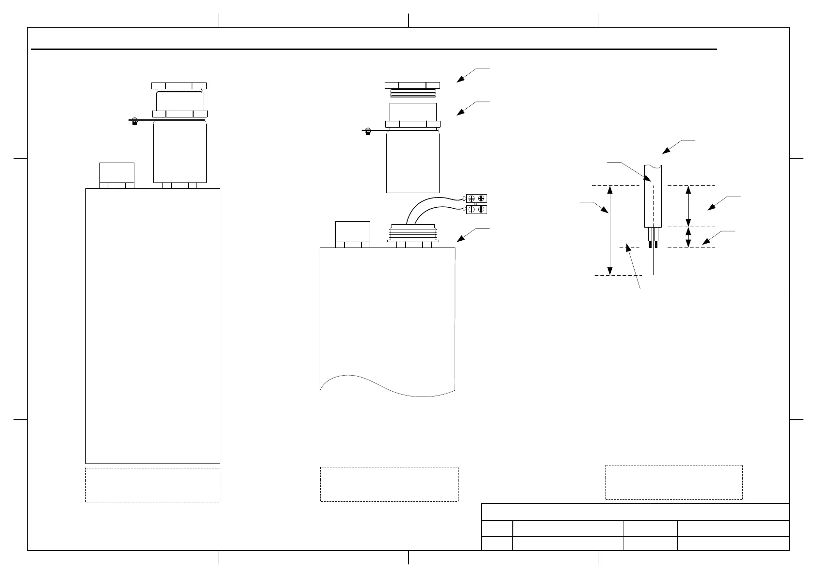
Step 1
Open the package and take one
Aerosol Generator Unit
Step 2
Disconnect the Aerosol generator
separate the 3 units
Step 3
Prepare the cable
Cable gland fixing component
UNIT 1
Cable gland & activator cable housing
UNIT 2
Generator
UNIT 3
3 cm
1.5 cm
6.5 cm
4 mm
2 X 1mm +
Earthing wire
Cut the cable and take
out the earthing wire
Page 2

Related product manuals