EasyManua.ls Logo

Firman H07553 - 页 40

Firman H07553
45 pages
Print Icon
To Next Page IconTo Next Page
To Next Page IconTo Next Page
To Previous Page IconTo Previous Page
To Previous Page IconTo Previous Page
Loading...
English Customer Service: 1-844-FIRMAN1
39
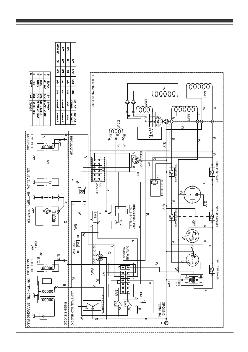
Parts Diagrams - Parts Lists - Wiring Diagram
Wiring Diagram

Related product manuals