EasyManua.ls Logo

Firman T04073 - Engine Parts Diagram; Engine Assembly Breakdown

Firman T04073
144 pages
Print Icon
To Next Page IconTo Next Page
To Next Page IconTo Next Page
To Previous Page IconTo Previous Page
To Previous Page IconTo Previous Page
Loading...
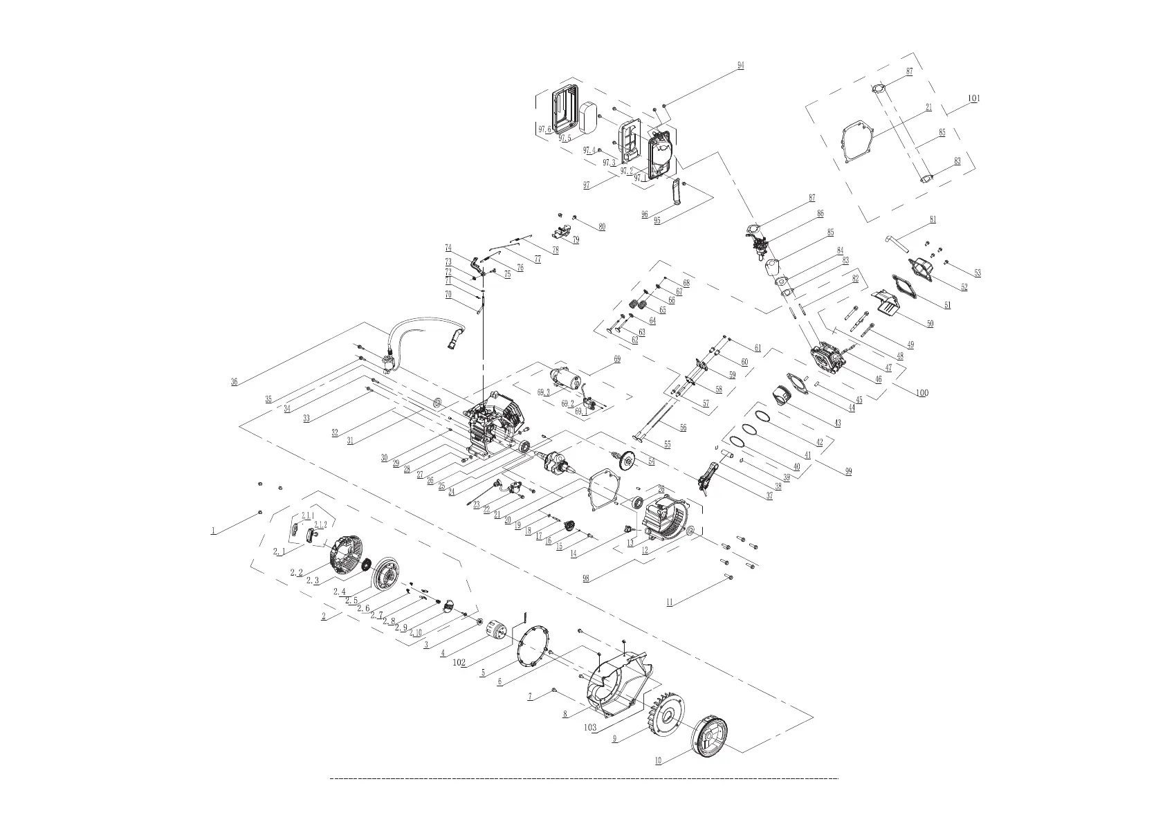
223cc TRI-FUEL ENGINE PARTS DIAGRAM
English Customer Service: 1-844-FIRMAN1
38

Related product manuals