EasyManua.ls Logo

Fisher MC-620 - Page 18

Fisher MC-620
20 pages
Print Icon
To Next Page IconTo Next Page
To Next Page IconTo Next Page
To Previous Page IconTo Previous Page
To Previous Page IconTo Previous Page
Loading...
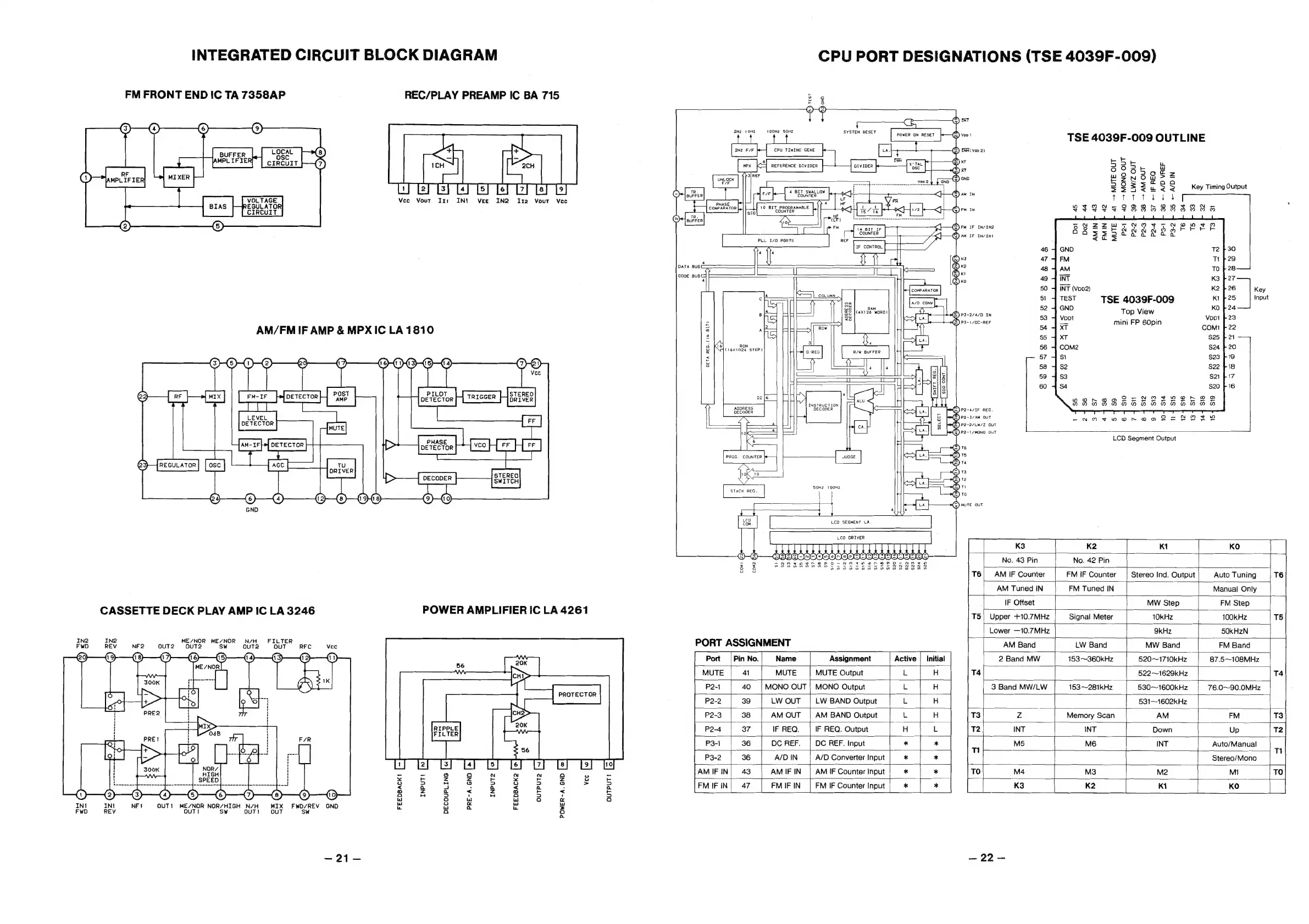
INTEGRATED
CIRCUIT
BLOCK
DIAGRAM
FM
FRONT
ENDIC
TA
7358AP
VOLTAGE
REGULATOR
CIRCUIT
AM/FM
IF
AMP
&
MPXIC
LA
1810
ie
I
|
|
DETECTOR
Ey
iv
a
i
ae
CASSETTE
DECK
PLAY
AMP
IC
LA
3246
IN2
IN2
FwO
REV
NF2
ME/NOR
ME/NOR
N/H
FILTER
OUuT2
Sw
QuT2
OUT
RFC
y
7
eee
BUFFER
LOocaL
(8)
=
|
ater}
-O
RF
Tu
;
DRIVER
OUT!
ME/NOR
NOR/HIGH
N/H
ouT!
Sw
OUT!
MIX
FWD/REV
OUT
sw
GND
==
REC/PLAY
PREAMP
IC
BA
715
Vee
Vout
I1:
FEEDBACK?
|
=|
INt
Vee
IN2
I1t2
Vout
Vee
POWER
AMPLIFIER
IC
LA
4261
INPUT!
|»)
DECOUPLING
PRE-A.GND
[2]
INPUT2
4
Ee
FEEDBACK2
PROTECTOR
[~
Vee
||
outpuTt
[3|
OUTPUT2
POWER-A.
GND
[|
CPU
PORT
DESIGNATIONS
(TSE
4039F-009)
GND
+6)
test
i
cPY
TIMING
GENE
La.
2Hz
10Hz
100H2
SOHZ
SYSTEM
RESET
2H2
F/F
a
MPX
REFERENCE
DIVIDER
DIVIDER
3)
REF
UNLOCK
F/F
POWER
ON
RESET
TR.
EVE
4
BIT
SWALLOW
BUFFER
COUNTER
PHASE
Se
4
COMPARATOR
10
BIT
PROGRAMABLE
COUNTER
TR.
BUFFER
PLL
170
PORTS
4
4
4
DATA
BUS
CTODE
BUST
4
cI
COLUMN
ADDRESS:
DECODER
ROM
(16x1024
STEP)
DETA
REG.
(16
BiT)
ADDRESS
DECODER
SOHZ
100HZ
STACK
REG.
S10
CONT.
=
SFM
IF
IN/IN2
AM
IF
IN/INI
)P2-3/AM
OUT
)
P2-2/LW/Z
OUT
=)
P2-1/MONO
OUT
INT
te
TSE
4039F-009
OUTLINE
INA(vo0
2)
xT
Es
S2QeE
uw
O2r
wi
x
nolagkez
563390
pot
Ssaa<c<teig
:
tert
FM
IN
333R588
INT
(VoD2)
XT
XT
56
57
si
58
s2
59
$3
60
$4
P2-4/1F
REQ.
Hr
NOY
WM
sig
uaa
TSE
4039F-009
P3-2/A/0
IN
2
nie
Top
View
Rs
Or
eer
=
mini
FP
60pin
nooPrer
ees
Key
Timing
Output
LCD
Segment
Output
T6
v4
3
T2
1
To
Key
25
Input
Atte
5)
Mure
out
Le
DRIVER
K3
K2
K1
KO
Semper
coccccmcrerrerts
ret
[Nea
Pin
|
No.
42
Pin
ere
=
See
ete
ig
T6;
AM
IF
Counter
FM
IF
Counter
Stereo
Ind.
Output
Auto
Tuning
Té6
AM
Tuned
IN
FM
Tuned
IN
Manual
Only
IF
Offset
MW
Step
FM
Step
T5)
Upper
+10.7MHz
Signal
Meter
10kHz
100kHz
T5
Lower
—10.7MHz
y
9kHz
50KHZN
PORT
ASSIGNMENT
AM
Band
LW
Band
MW
Band
FM
Band
Port
|
Pin
No.
Name
Assignment
Active
|
Initial
2
Band
MW
153~360kHz
520~1710kHz
87.5~108MHz
MUTE
41
MUTE
MUTE
Output
L
T4
522~1629kHz
T4
P2-1
aor
MONO
OUT
|
MONO
Output
L
|
H
3
Band
MW/LW
153~281kHz
530~1600kHz
76.0~90.0MHz
P2-2
39
LW
OUT
|
LW
BAND
Output
L
H
531~1602kHz
P2-3
38
|
AM
OUT
|
AM
BAND
Output
L
H
Memory
Scan
AM
FM
T3
P2-4
37
IF
REQ.
IF
REQ.
Output
H
L
INT
Down
Up
T2
P3-1
36
DC
REF.
DC
REF.
Input
*
*
M6
INT
Auto/Manual
p3-2
|
36
|
A/DIN
|
A/DConverterinput|
* *
[
Swreaienos()
AMIFIN|
43
AM
IF
IN.
|
AM
IF
Counter
Input
*
*
M3
M2
M1
|to0
FM
IF
IN
ts.
47
FM
IF
IN
FM
IF
Counter
Input
*
*
K2
K1
KO
22

Related product manuals