EasyManua.ls Logo

FiveO MATRIX54 - System Connection Diagram; Wiring Example and Signal Flow

FiveO MATRIX54
10 pages
Print Icon
To Next Page IconTo Next Page
To Next Page IconTo Next Page
To Previous Page IconTo Previous Page
To Previous Page IconTo Previous Page
Loading...
MATRIX54
Table of Contents
- 3 -
1. CONTROL ELEMENT
2. INSTALLATION
3. CONNECTION DESCRIPTION
4. TROUBLE SHOOTING
4
7
8
9
MATRIX54
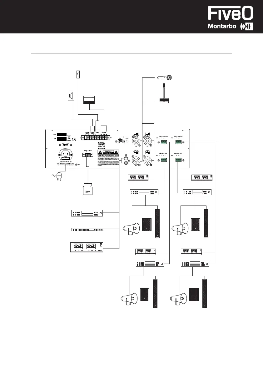
- 8 -
Collegamenti
Microfono
Microfono da tavolo
Corrente elettrica
Radio AM/FM
Lettore CD
Registratore a cassetta
"VOICE PRIORITY"
Speaker
Segnale Aux
24V
Batteria
Amplificatore PA Amplificatore PA
Altoparlante
Diffusore a Colonna
Diffusore
Altoparlante
Diffusore a Colonna
Diffusore
Altoparlante
Diffusore a Colonna
Diffusore
Altoparlante
Diffusore a Colonna
Diffusore
Registratore
Amplificatore PA Amplificatore PA
Registratore Registratore
Registratore