EasyManua.ls Logo

Flagro FVNP-400 - Page 20

Flagro FVNP-400
25 pages
Print Icon
To Next Page IconTo Next Page
To Next Page IconTo Next Page
To Previous Page IconTo Previous Page
To Previous Page IconTo Previous Page
Loading...
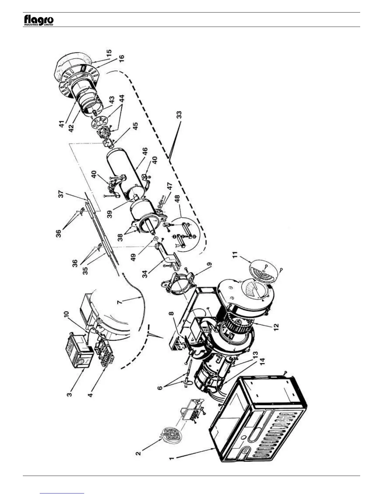
EXPLODED FVNP-400 SPARE PARTS LIST

Related product manuals