EasyManua.ls Logo

FLI 800S - Applications; 4-Channel Stereo Wiring

Default Icon
12 pages
Print Icon
To Next Page IconTo Next Page
To Next Page IconTo Next Page
To Previous Page IconTo Previous Page
To Previous Page IconTo Previous Page
Loading...
7
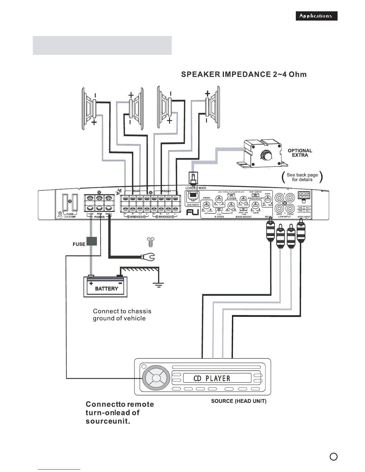
System wiring
4 channel stereo configuration