EasyManua.ls Logo

FLI LOADED 450s - Applications and Wiring; System Wiring Overview; 2-Channel Stereo Configuration

Default Icon
12 pages
Print Icon
To Next Page IconTo Next Page
To Next Page IconTo Next Page
To Previous Page IconTo Previous Page
To Previous Page IconTo Previous Page
Loading...
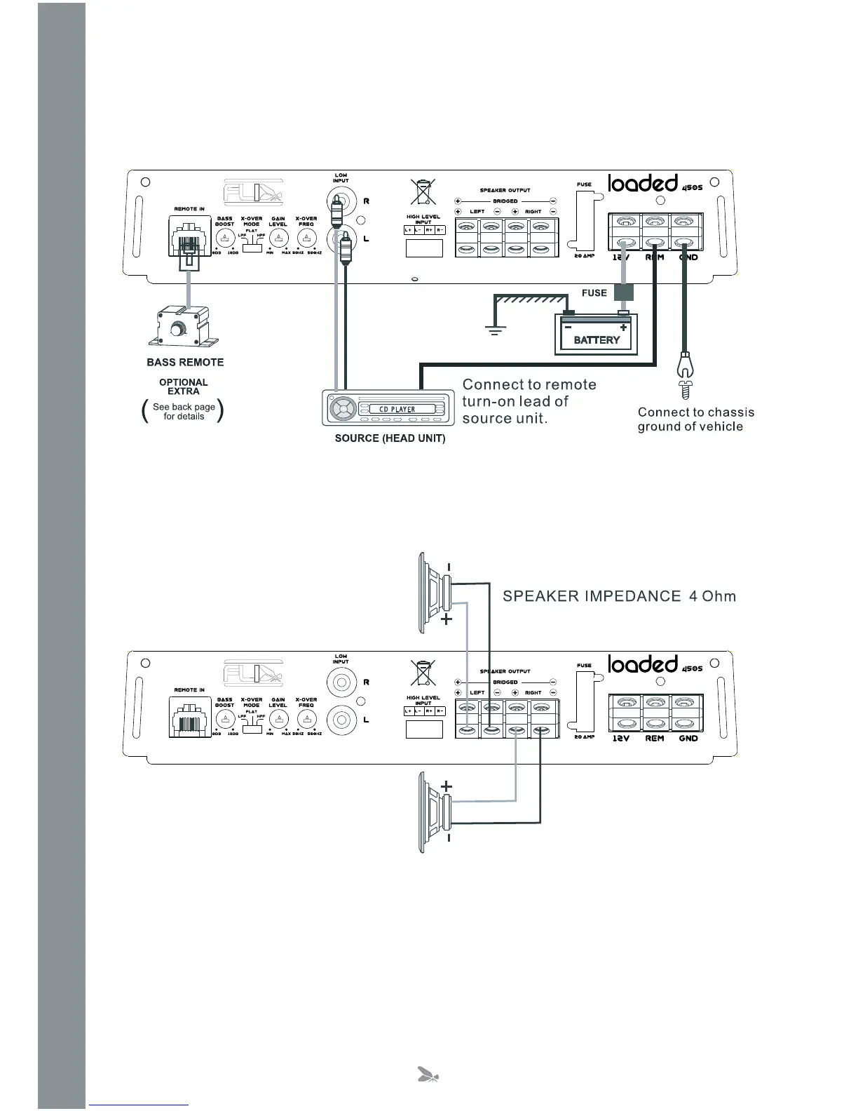
A
PPLI
C
ATI
O
N
S
Sy
stem W
i
r
i
ng
I
np
u
t connections
Sy
stem W
i
r
i
ng
2
c
h
annel stereo conf
i
g
u
rat
i
on
6

Related product manuals