EasyManua.ls Logo

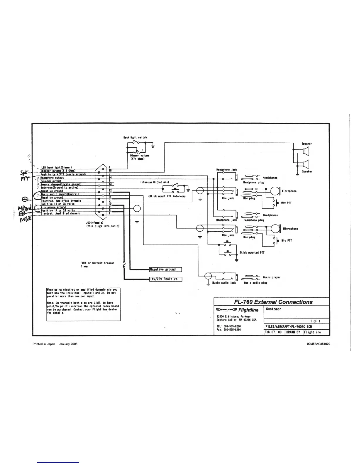
Flightline FL-760 - External Connections Diagram

Flightline FL-760
9 pages
Print Icon
To Previous Page IconTo Previous Page
To Previous Page IconTo Previous Page
Loading...

Related product manuals