EasyManua.ls Logo

FloTech FT151 - Wiring Instructions

Default Icon
9 pages
Print Icon
To Next Page IconTo Next Page
To Next Page IconTo Next Page
To Previous Page IconTo Previous Page
To Previous Page IconTo Previous Page
Loading...
Dixon Bayco
4740T Interstate Dr. Cincinnati, OH 45246
Rev: May 2017 PH: 513 874 8499 FX: 513 874 8399 Page 2
WIRING INSTRUCTIONS:
It is highly recommended to use FloTech FT401 jacketed 7-conductor cable when wiring a
new system. FloTech cable is designed to be oil, UV, and abrasion resistant. We incorporate
a noble tin plated stranded copper wire which resist corrosion. These features will provide
years of reliable service.
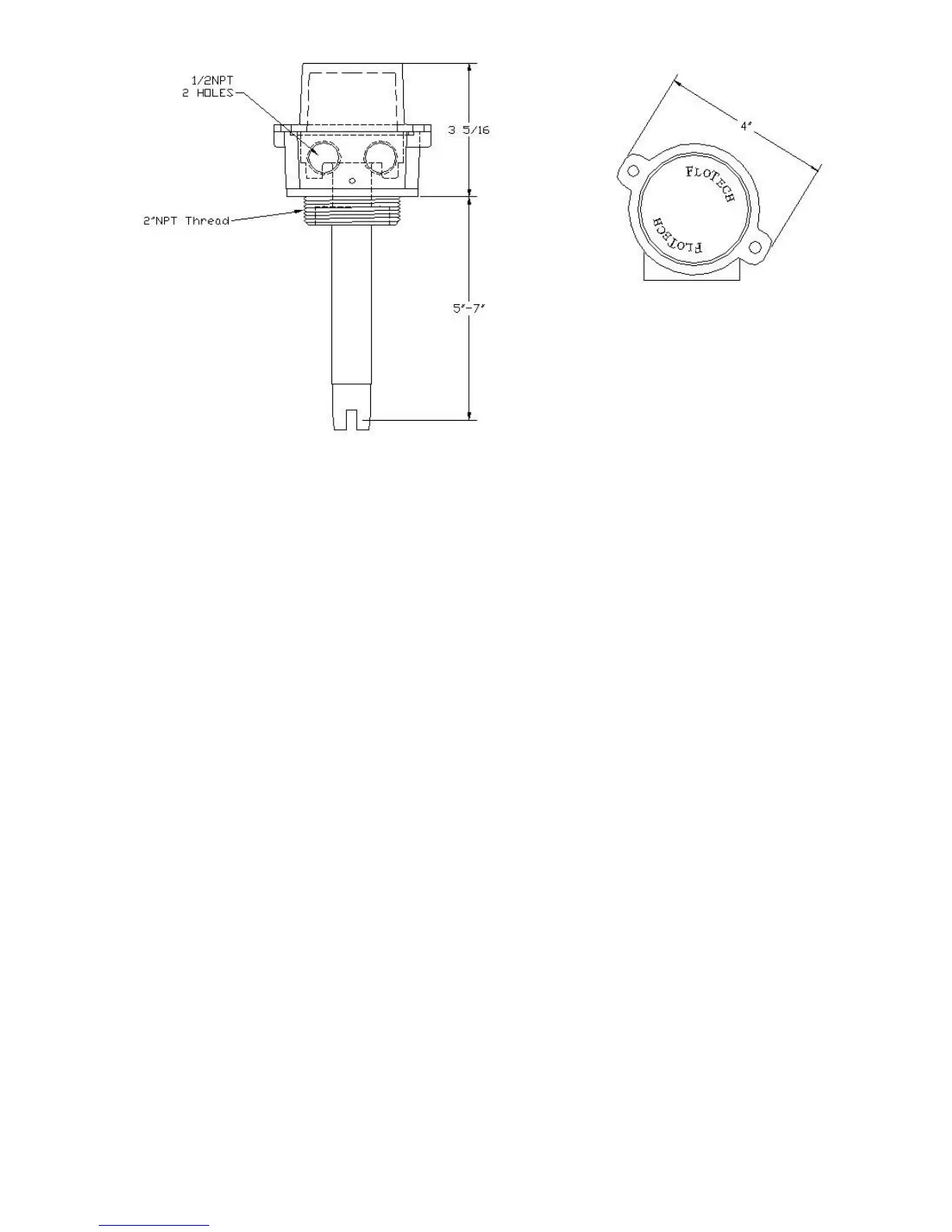
After all sensors are mounted in each compartment, align the conduit openings so they face
the roll over rail. Thread in cable glands and pull a length of cable through the conduit
openings between each sensor. Cut to length leaving approximately 8 inches extra length
exiting the top of each probe holder.
All sensor wires must enter or leave the probe holder through one of the ½ NPT openings.
Use FloTech FT402 ½ NPT cable glands to ensure a water tight seal. Unused conduit
openings must have a ½ NPT pipe plug installed. Use pipe dope on all ½ NPT threads to
ensure a water tight seal.
Wire the sensor according to diagram F1 below. Double check your wiring connection when
complete. NOTE: It is highly recommended to use a small amount of Silicone RTV sealant
in each crimp connection. Fill the FloTech butt end crimps with Silicone RTV sealant prior
to inserting the wires then crimp. This will provide a watertight and vibration resistant
connection.
When wiring is complete, replace each sensor cap and o-ring. CAUTION: Do not pinch a
sensor wire when installing the cap.

Related product manuals