EasyManua.ls Logo

Flotrol F60 - Control Drive Assembly

Default Icon
24 pages
Print Icon
To Next Page IconTo Next Page
To Next Page IconTo Next Page
To Previous Page IconTo Previous Page
To Previous Page IconTo Previous Page
Loading...
Page 14
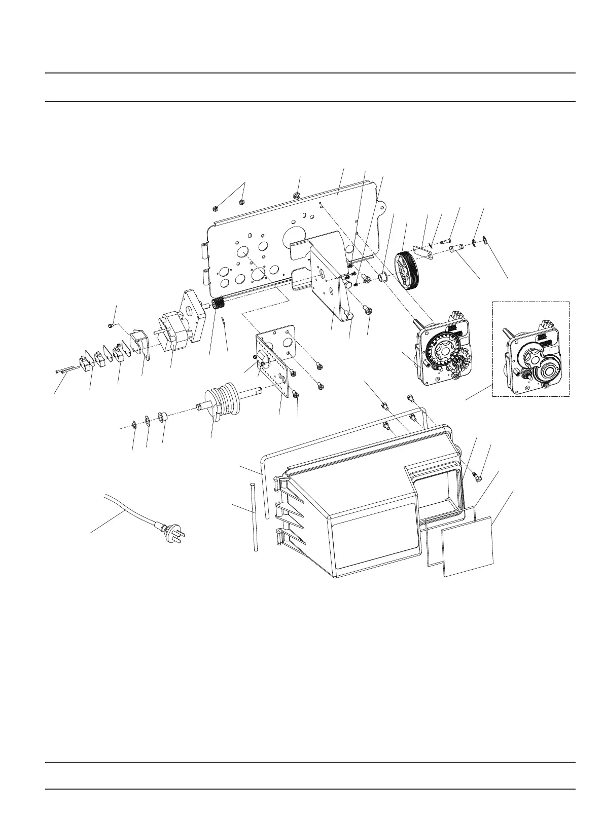
MODEL F60
Control Drive Assembly (For 60 Mechanical)
34
1
2
3
4
5
8
9
10
11
14
15
17
18
19
27
26
25
24
23
22
21
20-1
39
38
37
35
10
28
32
16
29
30
33
36
40
FOR SM
20-2
31
6
7
13
12

Related product manuals