EasyManua.ls Logo

Flott TBSM 75 D - Page 20

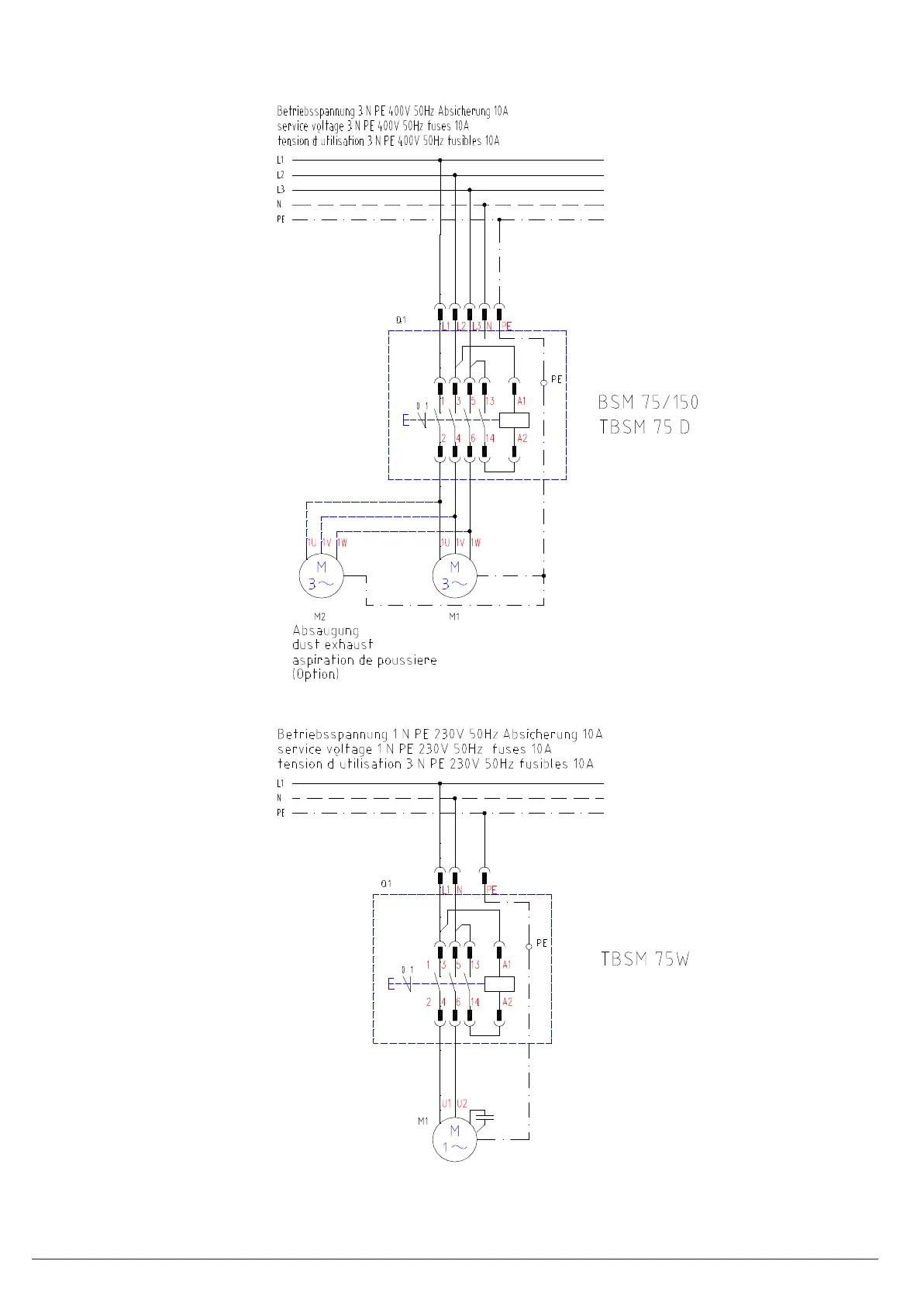
Flott TBSM 75 D
Print Icon
To Next Page IconTo Next Page
To Next Page IconTo Next Page
To Previous Page IconTo Previous Page
To Previous Page IconTo Previous Page
Loading...
371095 D/E/F - 6.00 19

Related product manuals