EasyManua.ls Logo

fluimac PHOENIX - Page 28

fluimac PHOENIX
60 pages
Print Icon
To Next Page IconTo Next Page
To Next Page IconTo Next Page
To Previous Page IconTo Previous Page
To Previous Page IconTo Previous Page
Loading...
28 Rev. 03
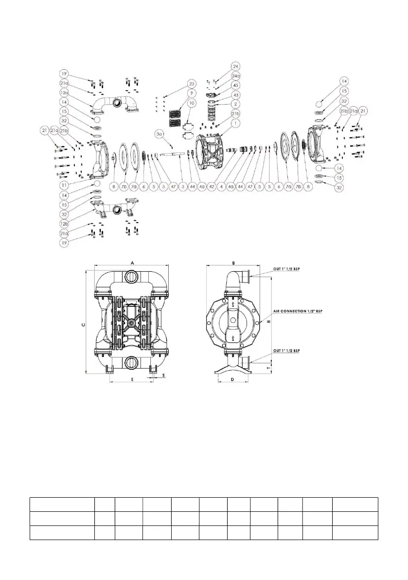
PHOENIX 400 AISI VERSION
PHOENIX P400 AISI A B C D E H S T
Weight
Kg
Min/Max
Temperature
AISI 361 260 502 165 211 418 9 52 40 -20°C/95°C
AISI 316 FOOD
TRI
-
CLAMP
2”
361 260 502 165 211 418 9 52 40 -20°C/95°C