EasyManua.ls Logo

Fluke 415B - Page 89

Fluke 415B
92 pages
Print Icon
To Next Page IconTo Next Page
To Next Page IconTo Next Page
To Previous Page IconTo Previous Page
To Previous Page IconTo Previous Page
Loading...
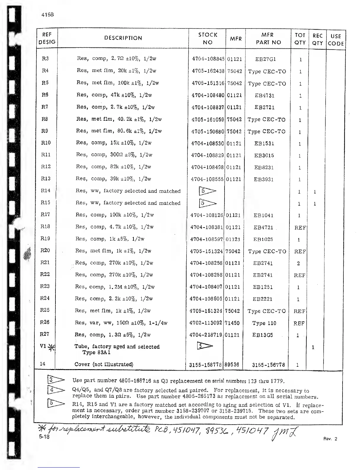
415B
STOCK
NO
Res, comp, 2. 7ft
±10%,
l/2w
Res, met
flm,
20k
±1%,
l/2w
Res, met
flm,
100k
±1%,
l/2w
Res, comp,
47k
±10%,
l/2w
Res, comp, 2.
7k
±10%,
l/2w
Res, met flm, 40.
2k
±1%,
l/2w
Res, met flm,
80.
6k
±1%,
l/2w
Res, comp,
15k
±10%,
l/2w
Res, comp,
300ft
±5%,
l/2w
Res,
comp, 82k
±10%,
l/2w
Res,
comp, 39k
±10%,
l/2w
Res, ww, factory
selected and
matched
Res,
ww,
factory
selected
and matched
Res, comp,
100k
±10%,
l/2w
Res,
comp, 4, 7k
±10%,
l/2w
Res, comp,
Ik
±5%,
l/2w
Res, met flm,
lk
±1%,
l/2w
.
Res, comp,
270k
±10%,
l/2w
Res, comp,
270k
±10%,
l/2w
Res,
comp, 1.
2M±10%, l/2w
Res, comp,
2. 2k
±10%,
l/2w
Res, met
flm, lk
±1%,
l/2w
Res, var, ww,
150ft
±10%,
l-l/4w
Res, comp,
1. 3ft
±5%,
l/2w
Tube,
factory aged and
selected
Type 83A
1
Cover (not illustrated)
MFR
PART
NO
01121
EB27G1
75042
Type CEC-TO
75042
; Type
CEC-TO
01121 EB4731
01121 EB2721
75042 Type CEC-TO
75042
Type
CEC-TO
01121 EB1531
01121 EB3015
01121
EB8231
01121
EB3931
TOT
REC
USE
QTY
QTY
CODE
4704-108126
01121
EB1041 1
4704-108381
01121 EB4721
,
REF
4704-
108597 0112,1
EB1025
1
4705-
151324 75042 Type CEC-TO
REF
4704-108258
01121
EB2741
2
4704-108258 01121
EB2741
REF
4704-108407
01121 EB1251
1
4704-
108605 01121
EB2221
1
4705-
151324
75042 Type
CEC-TO
REF
4702-113092
71450
Type 110
REF
4704-218719
01121
3155-156778
89536
EB13G5
3155-156778 1
Use
part number
4805-168716
as
Q3
replacement on
serial
numbers
123
thru
1779.
Q4/Q5,
and
Q7/Q8 are factory
selected and
paired. For
replacement,
it is
necessary
to
replace
them in
pairs.
Use
part
number
4805-265173
as
replacement
on all
serial
numbers.
R14,
El 5 and
VI
are
a
factory
matched set
according
to
aging and
selection
of VI.
if replace-
ment is necessary,
order part
number
3158-239707
or
3158-239715. These
two
sets are com-
pletely interchangeable,
however,
the
individual
components must
not
be
separated.
Pc.
8
,
75
lCH7
t
,H5IOH7
Rev.
2

Related product manuals