EasyManua.ls Logo

Fluke 5220A - Page 118

Fluke 5220A
138 pages
Print Icon
To Next Page IconTo Next Page
To Next Page IconTo Next Page
To Previous Page IconTo Previous Page
To Previous Page IconTo Previous Page
Loading...
5 220A
Instruction Manual
6-4
ajs46f.wmf
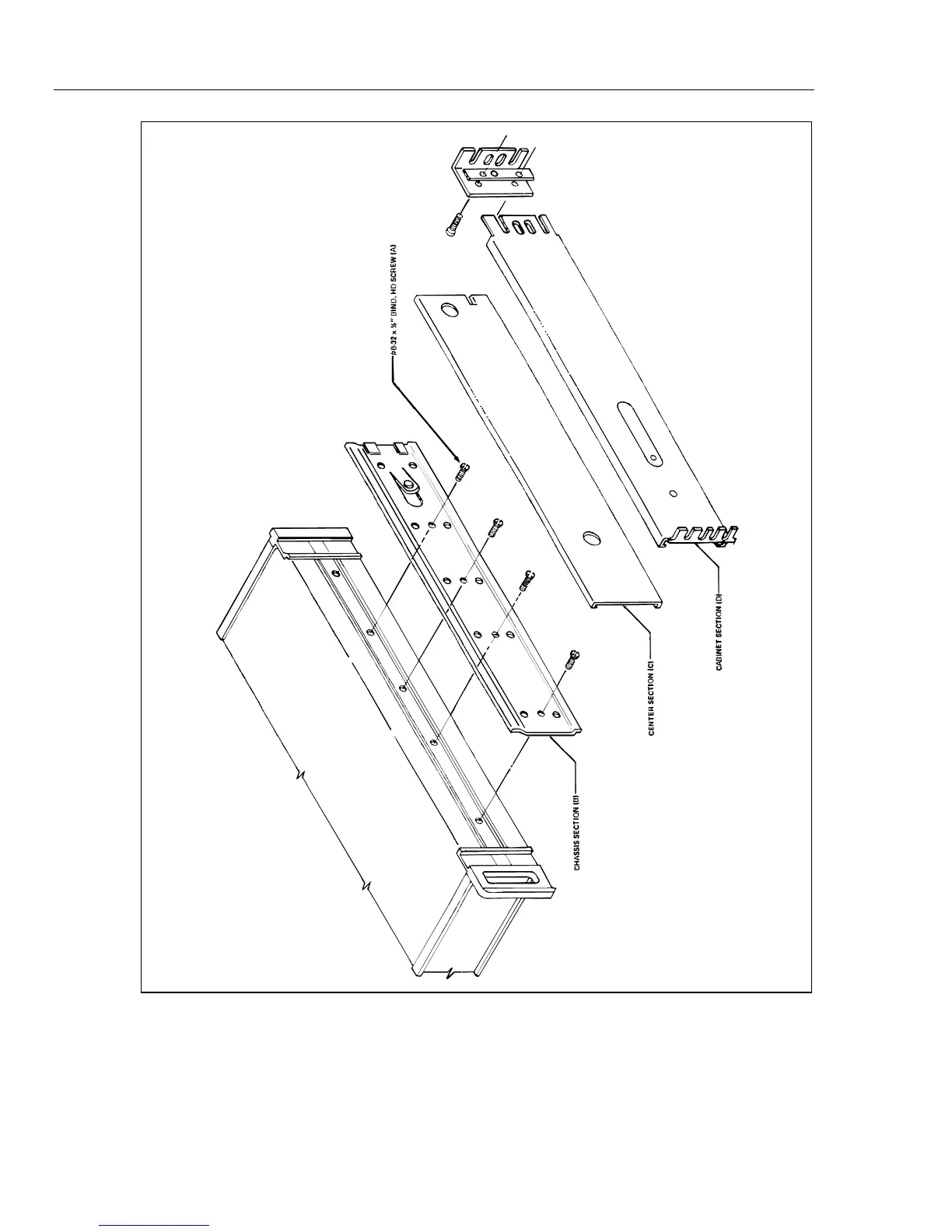
Figure 6-2. Rack Slide Kit

Table of Contents

Related product manuals