EasyManua.ls Logo

Fluke 5220A - Page 85

Fluke 5220A
138 pages
Print Icon
To Next Page IconTo Next Page
To Next Page IconTo Next Page
To Previous Page IconTo Previous Page
To Previous Page IconTo Previous Page
Loading...
List of Replaceable Parts
Service Centers
5
5-13
ajs25f.wmf
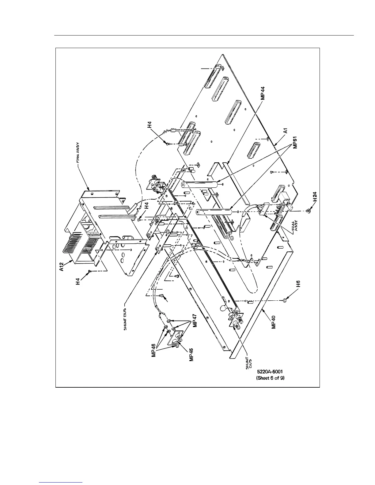
Figure 5-1. 5220A Final Assembly (cont.)

Table of Contents

Related product manuals