EasyManua.ls Logo

FLY EZZY - Page 8

FLY EZZY
37 pages
Print Icon
To Next Page IconTo Next Page
To Next Page IconTo Next Page
To Previous Page IconTo Previous Page
To Previous Page IconTo Previous Page
Loading...
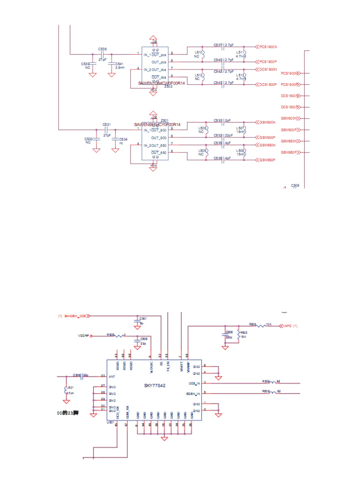
RX Saw filter Circuit
3.1.3 Translation Loop Direct VCO Modulator
Integrated TX VCO and tank
External TX filters eliminated
Integrated Loop filter components
Transmit Path
AD6548 uses only a single VCO source to derive the local oscillator signal for both the Feedback Down-
Converting Mixer and the Quadraturemodulator
TX PA: SKY77542

Related product manuals