EasyManua.ls Logo

FLY EZZY - Page 9

FLY EZZY
37 pages
Print Icon
To Next Page IconTo Next Page
To Next Page IconTo Next Page
To Previous Page IconTo Previous Page
To Previous Page IconTo Previous Page
Loading...
CO, tank, fractional N dividers, sigma delta compensation, charge pump and
The only external component is the frequency reference.
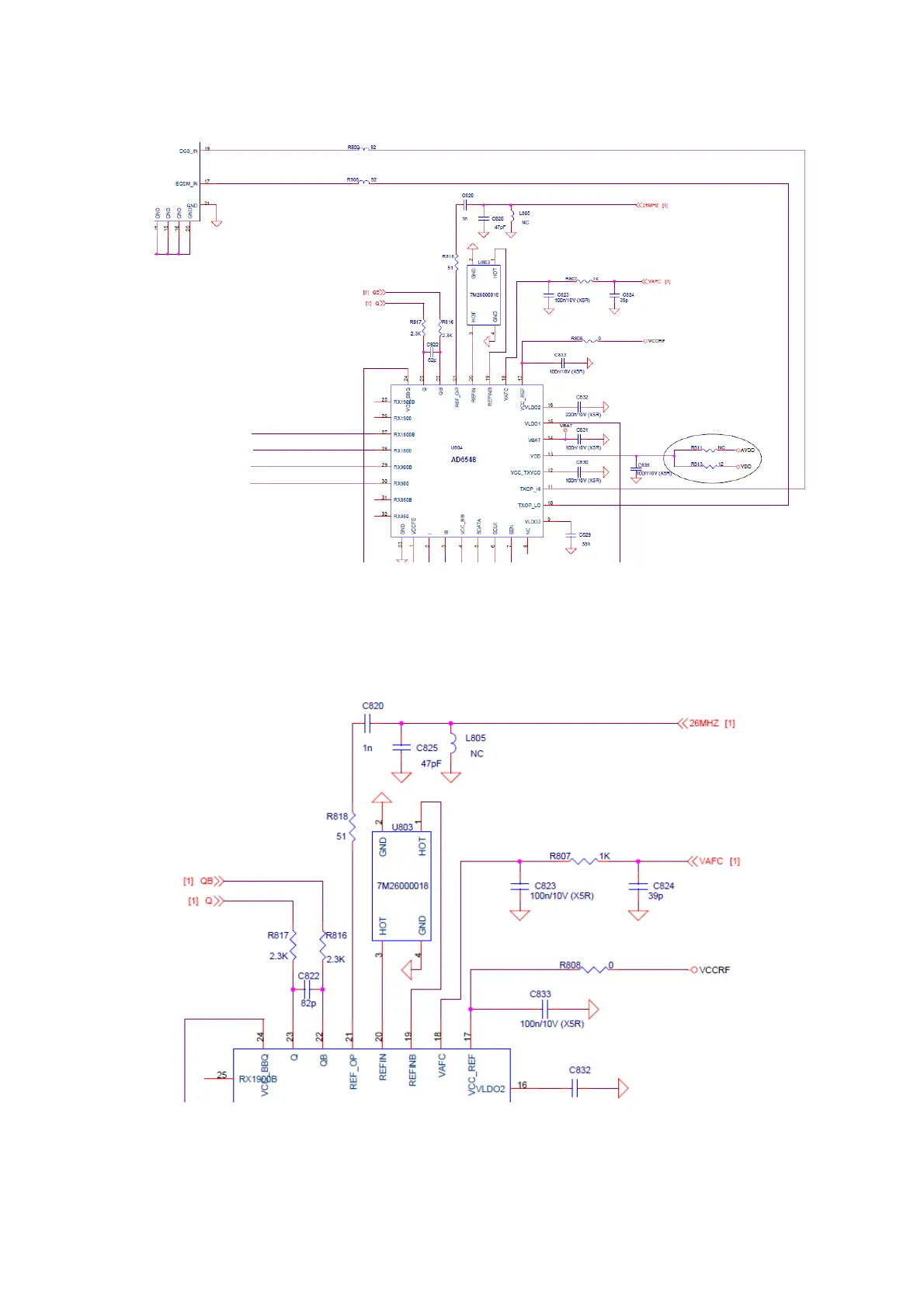
26MHz Clock Reference circui
d PLL system
TX PATH:
3.14 26MHz Clock:
The entire system including V
loop filters are fully integrated.
3.1.5 High performance multi ban
Fast Fractional-N Synthesizer

Related product manuals