EasyManua.ls Logo

Force RC EPIDEMIC - Parts Diagram (Bodies); Parts Diagram (Center Chassis)

Default Icon
20 pages
Print Icon
To Next Page IconTo Next Page
To Next Page IconTo Next Page
To Previous Page IconTo Previous Page
To Previous Page IconTo Previous Page
Loading...
EPIDEMIC
CAMION MONSTRE
MUCKRAKER
TRUGGY
30
Muckraker
Truggy ONLY
(SEULEMENT)
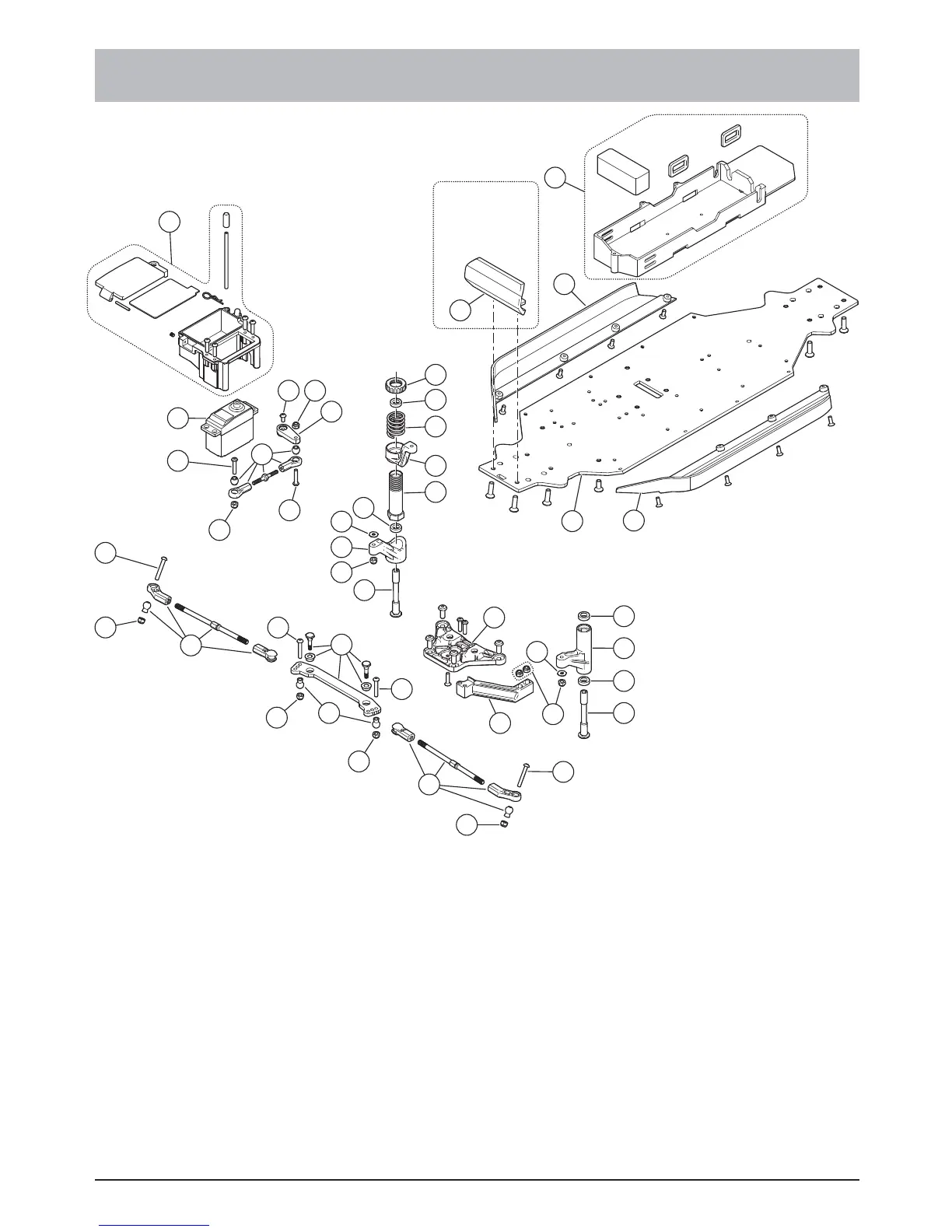
PARTS DIAGRAM (CENTER CHASSIS) /
VUE ÉCLATÉE DES PIÈCES (CHÂSSIS CENTRAL)
12
61
17
17
48
17
16
16
16
16
16
16
48
39
39
48
48
17
17
13
1311
13
47
4542
42
42
42
38
38
38
38
42
42
42
45
45
45
45
45
45
45
49