EasyManua.ls Logo

Ford Windstar - Page 284

Ford Windstar
385 pages
Print Icon
To Next Page IconTo Next Page
To Next Page IconTo Next Page
To Previous Page IconTo Previous Page
To Previous Page IconTo Previous Page
Loading...
284
[MC03800(ALL)01/96]
33-1/2 pica
art:0050234-B
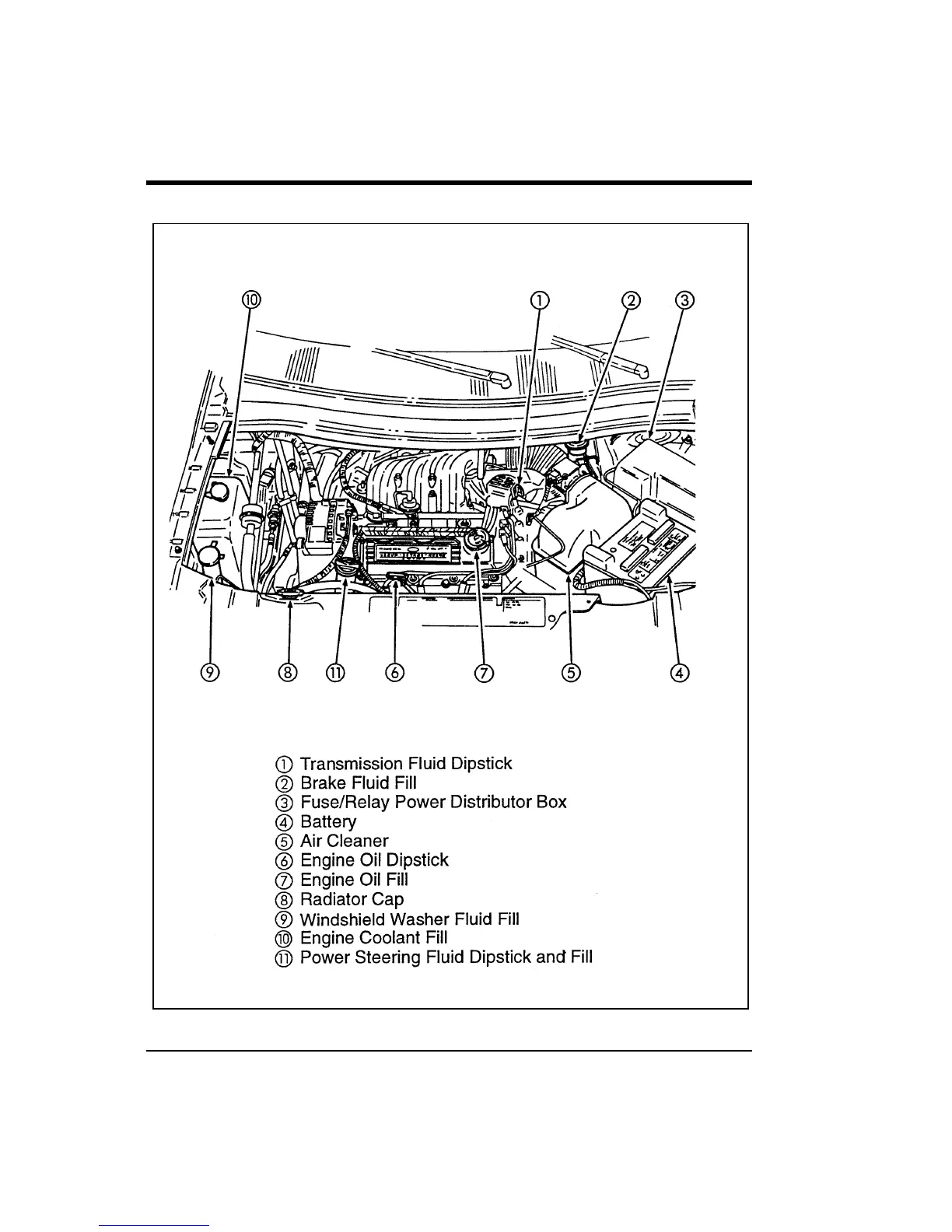
The engine compartment (3.0 liter only)
File:11wnmcs.ex
Update:Mon Jul 8 14:29:32 1996

Related product manuals