EasyManua.ls Logo

Forest King 20120 - Page 39

Forest King 20120
43 pages
Print Icon
To Next Page IconTo Next Page
To Next Page IconTo Next Page
To Previous Page IconTo Previous Page
To Previous Page IconTo Previous Page
Loading...
39
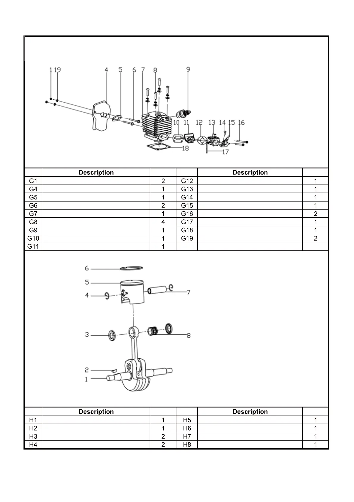
Nº.
Écrou Gb/T 6187.1 M5
Silencieux
Joint de silencieux
Boulon de silencieux M5 X60
Cylindre
Vis Gb/T 2671.2 M5*20
bougie d'allumage
Rondelle de tube d’admission d’air
Tube d’admission d’air
Composant du vilebrequin
Clé de forage 2.9*10
anneau de roulement àaiguilles
Circlip à tige de piston
Piston
Anneau de piston
Tige de piston
Roulement à aiguilles
Joint de carburateur
Carburateur
Vis Gb/T 2670.1 St4.8*16
Admission d’air
Vis de carburateur
Tube de retour
Rondelle de cylindre
Rondelle plate Gb/T 97.1.5*10*1
G.Assemblage de cylindre + carburateur + silencieux
H.Assemblage de piston + vilebrequin
Quanti.
Nº.
Quanti.
Nº.
Quanti.
Nº.
Quanti.

Related product manuals