EasyManua.ls Logo

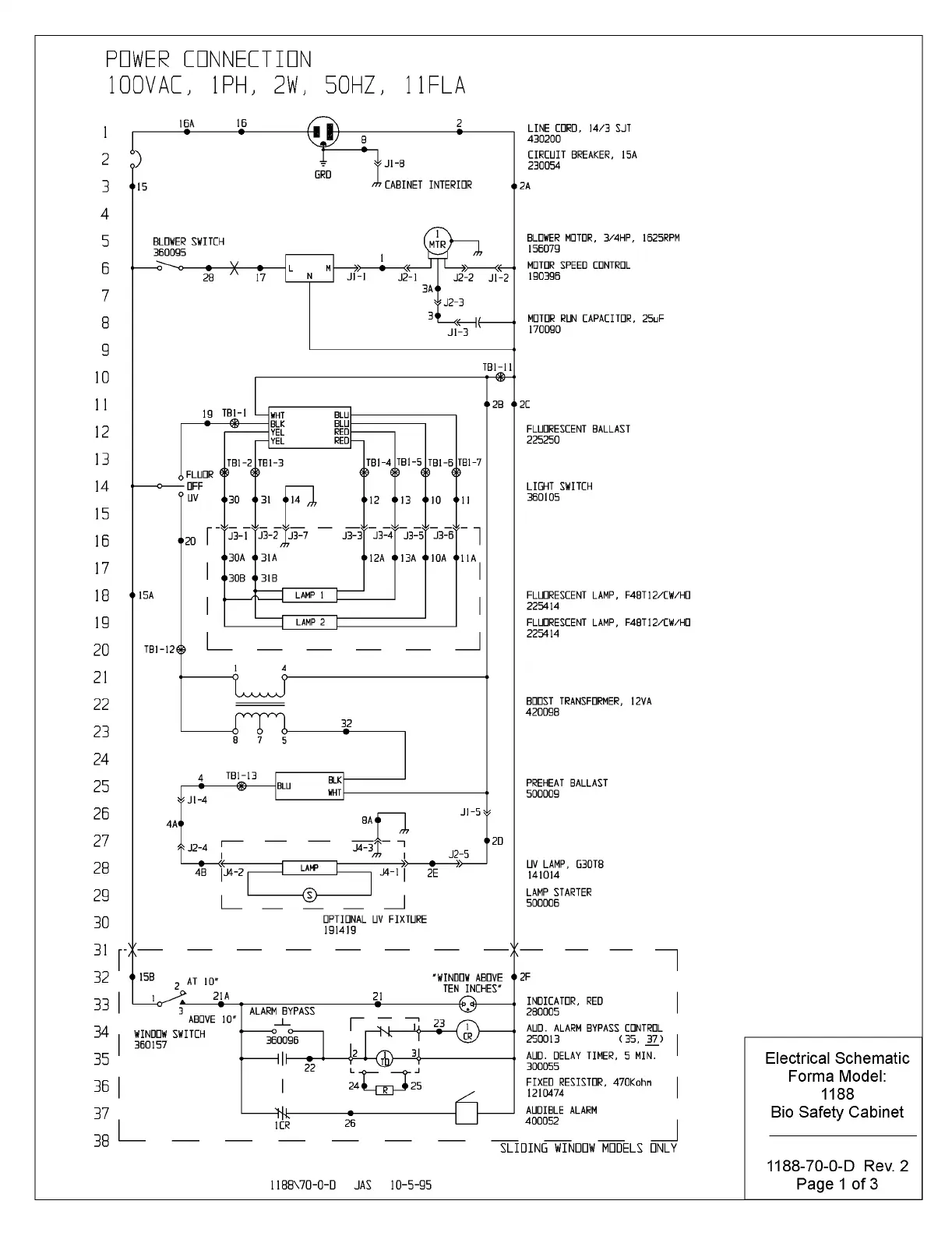
Forma Scientific 1184 - Electrical Schematic for Model 1188

Forma Scientific 1184
65 pages
Print Icon
To Next Page IconTo Next Page
To Next Page IconTo Next Page
To Previous Page IconTo Previous Page
To Previous Page IconTo Previous Page
Loading...

Other manuals for Forma Scientific 1184