EasyManua.ls Logo

FORM+TEST B2020 - Page 14

FORM+TEST B2020
Print Icon
To Next Page IconTo Next Page
To Next Page IconTo Next Page
To Previous Page IconTo Previous Page
To Previous Page IconTo Previous Page
Loading...
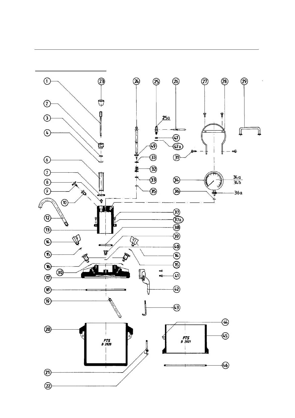
Luftgehaltsprüfer 8 Liter
Air entrainment meter 8 liter
Seite
/
page
14
Abbildung der Ersatzteile