EasyManua.ls Logo

Fostex B-16 - Page 53

Fostex B-16
118 pages
Print Icon
To Next Page IconTo Next Page
To Next Page IconTo Next Page
To Previous Page IconTo Previous Page
To Previous Page IconTo Previous Page
Loading...
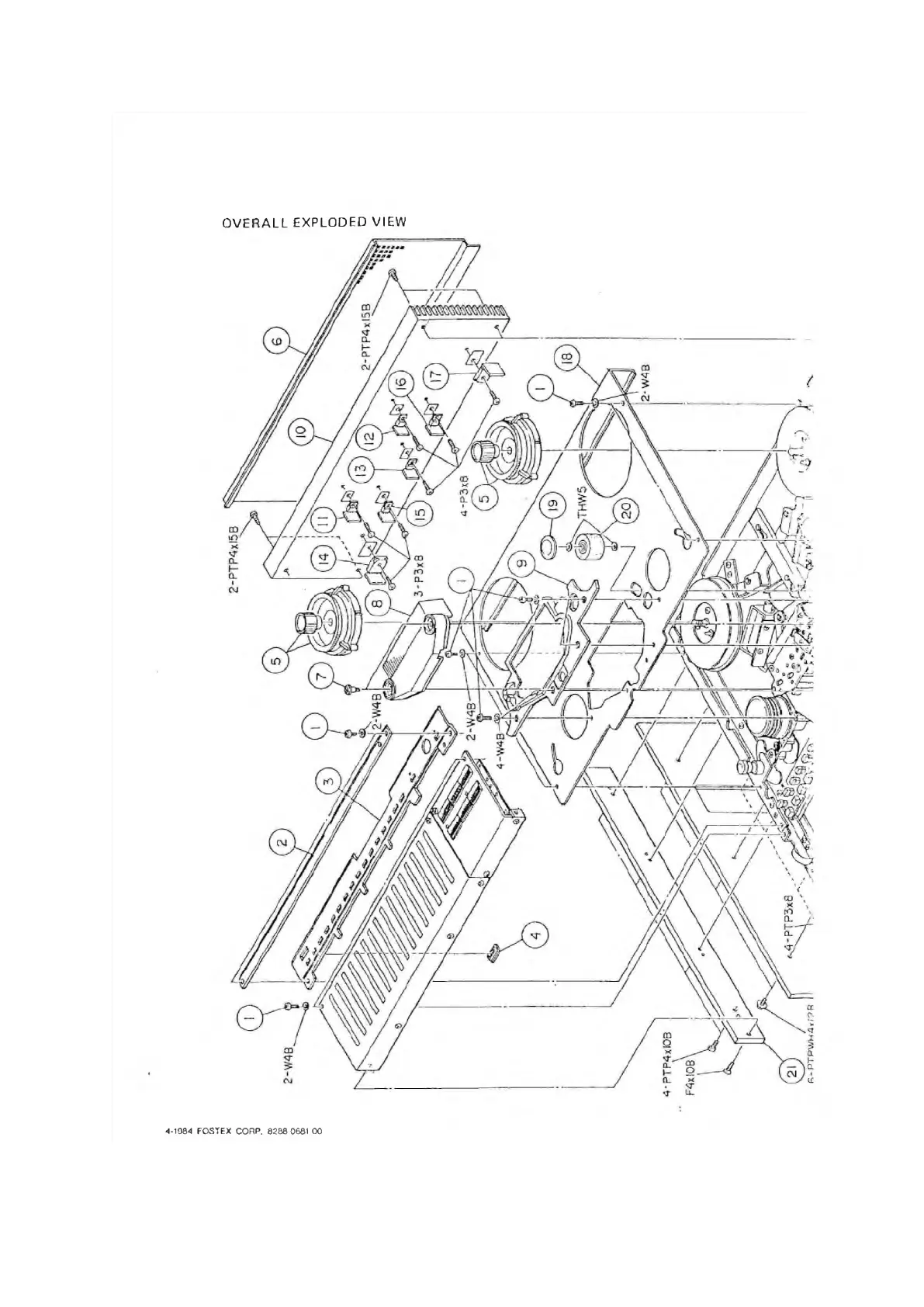
OVERALL
EXPLODED
VIEW
4-1984
FOSTEX
CORP.
8238
0631
00

Other manuals for Fostex B-16