EasyManua.ls Logo

Fral FDC32 - Page 17

Fral FDC32
Print Icon
To Previous Page IconTo Previous Page
To Previous Page IconTo Previous Page
Loading...
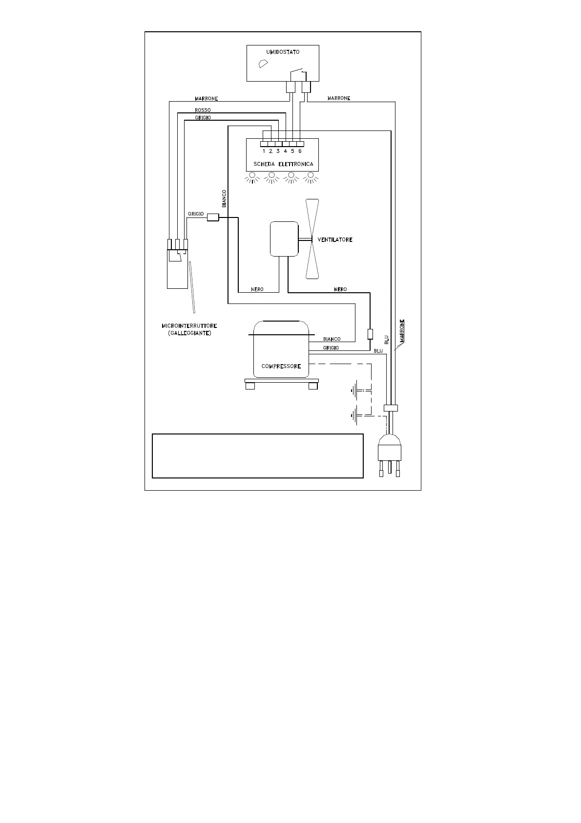
DEUMIDIFICATORE FDC32
SCHEMA ELETTRICO

Related product manuals