EasyManua.ls Logo

Frick XLP3 - Page 12

Frick XLP3
34 pages
Print Icon
To Next Page IconTo Next Page
To Next Page IconTo Next Page
To Previous Page IconTo Previous Page
To Previous Page IconTo Previous Page
Loading...
140.925-IOM (APR 2019)
Page 12
XLP3 EVAPORATIVE CONDENSERS
INSTALLATION
Main
Disconnect
Fuses
Voltage
Line
Phase
Three
G G
Spray Pump
Aux. Contact
Supplied by Others
BLK
BLK
Class II
Transformer
24V Secondary
RED
BLK
YEL
YEL
BLK
Contactors
Controlling
Control Panel
L1
L2
L3
Controller
Liquid Level
Temperature
Combination
Series TL
Solitech
CT
N
C
NO
NC
T1
T2
G1
G2
Shielded Cable
Assembly
Sensor Probe/Cord
G2
G1
T2
T1
SH
No. 1
Heater
{
40
24
16
12
8
10
12
14
Size Amps
Wire Total
Wire Table
L1
L2
L3
Switch
Supplied By Others
Heater
No. 2
(If Required)
Immersion
Heaters
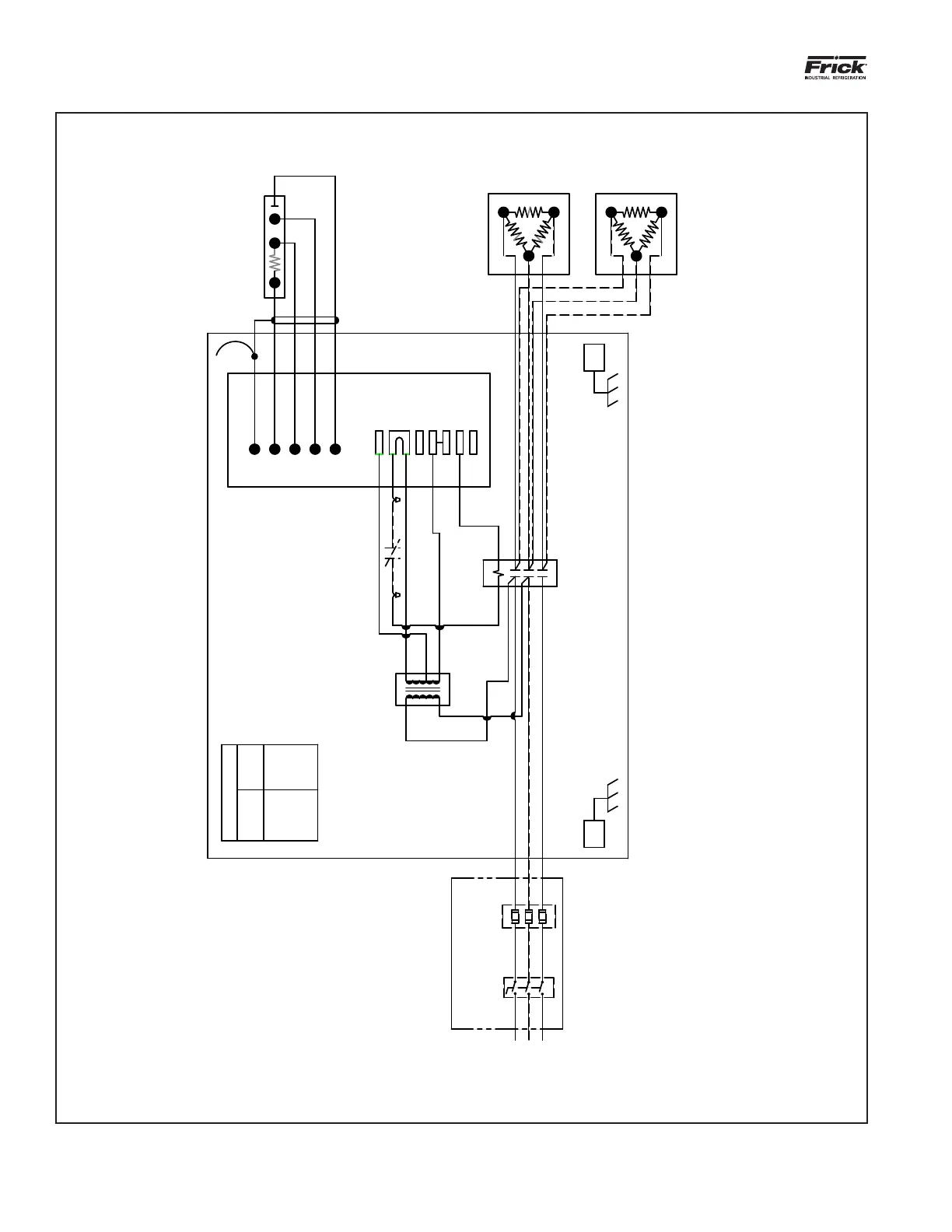
Figure 13 — Example Wiring Diagram for Stand Alone Frick Heater Control Panel (Refer to Submittal Drawing for Specic
Wiring Diagram)

Table of Contents